AKI-80

長嶋 洋一


■AKI-80について■


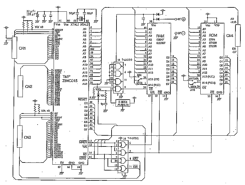
AKI-80は東芝のTMP-015を中核に置いたカードマイコンで、
2ポートのシリアルポートをMIDIに使うことでMIDIマージを簡単に
実現でき、また2つの汎用8ビットポートによって外部スイッチ、
センサ、LED、LCDなどと接続できます。

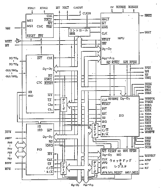
これはAKI-80の内部回路図です

これは東芝CPUのTMP-015の内部ブロック図です

これはAKI-80のピン配置です

RE:AKI-80 96/09/05 22:08


◆AKI-80手に入れました。

おぉぉ、ついに行動に移りましたか。(^_^)
他にも実際にハードに手を出すべきか躊躇している方は
少なくないようなので、どうぞ実験台になって下さい。(^_^;)

◆シルバー、ゴールド、スーパー、の3種類有ったのですが、
◆高いものの方がいいだろうと思ってスーパーを買いました。(^^;)

AKI-80とはカードサイズのものが2タイプあり、RAMが8KBのシルバーと
32KBのゴールドがあります。さらに周辺LSIも搭載したために基板が大きい
のがスーパーです。
僕は普通はシルバーばかりですが、それほど小型にしないなら、スーパー
でも大丈夫です。

◆お店の兄ちゃんが、「生ロムは?」っていうものですから、それも訳も分からず買い
◆ました。(^^;;

えーと、説明が不足していましたが、AKI-80は、ボード上のROMソケットに
プログラムを書き込んだUVEPROM(紫外線消去可能なプログラマブルROM)を
挿入します。ということは、「ROMライタ」という機器も必要になるのです。
...ですが、最初からここまではキツイので、とりあえずは僕がプログラム
したROMを、生ROM(プログラムしていないEPROM)と交換に書き込んで
あげてもいいですよ。
ROMライタは、秋月のキットで8000円ほど、あるいはPC9801の拡張スロット
用ボードで12000円ほどします。僕のように頻繁にAKI-80のMIDI機器を製作
する場合には完備すべきものです。
ちなみに、書き込んだEPROMのデータを紫外線で消去して生ROMに戻す装置が
「ROMイレーサ」で、これも10000円弱、します。(^_^;)
蛍光灯でも消えるらしいですが、ちと信頼性は期待できません。

ちなみに、買われた生ROMですが、たぶん「27C256-**」と書いて
あると思いますが、**の部分はどのくらいでしょうか。70なら大丈夫ですが、
12とか15だと、ちょっと手だてが必要です。

それから、AKI-80に附属していた水晶振動子ですが、おそらく19.***MHzとか
20MHz以上の周波数だと思いますが、これだと上記のROMのスピードがついて
いかない事があるのと、MIDIでは不要なほど周波数が高いので、水晶だけは
もっと低い周波数のものを別に買って、こちらを使った方がいいです。
8MHzあたりで300円ほどです。
ちなみに僕は、いつも8MHzのものを使っていますので、ROMは12とか15などの
安くて遅いものでも十分です。(^_^)
(12とはアクセスタイムが120nsec、15とは150nsecです)
MIDIをするためには、4MHz、8MHz、16MHzなどのピッタシの周波数の水晶が
いいのです。半端な周波数はRS-232-Cのためのものです。
4MHzを8分周すると500KHz、これはMIDIの31.25KHzの16倍です。

◆基盤の細かさが予想以上なので、(^_^;) ハンダごても細いのを買いました。

これは必須です。たぶんAKI-80に少しだけハンダも付いてきていますが、
これはスパークルという特上のハンダです。(^_^)
巻いてあるハンダを買うなら、1.0mmの細いものがいいでしょう。
ハンダごては、こて先が細いことと、電力が15Wくらい(せいぜい20Wが上限)で
あるようにしましょう。大電力のものは部品を痛めます。

◆センサーをいくつか適当に、手に入れました。UVセンサー、赤外線センサー、湿度
◆センサー、気圧センサー。
◆このうち赤外線と気圧はキットです。ハンダ付けの練習と電子回路になれる事が目的
◆です。

僕もよく、市販のセンサキットを活用しています。ただし、市販のセンサには、
 ・出力がLED表示になっているもの(AKI-80に取り込むのはちと難しい)
 ・リレーでON/OFF出力(そのまま簡単に使える)
 ・トランジスタスイッチでON/OFF(AKI-80に入力するには少し知識が必要)
 ・アナログ電圧として出力(A/D変換回路の自作が必要)
 ・パルスや周波数として出力(AKI-80への取り込みにはテクニックが必要)
などがあります。このあたり、なんでも簡単につながる、というわけでは
ありません。(^_^;)

◆「センサーの信号をVLに送る。」ことが、とりあえずの到達目標ですが、うーむ。

VLに送るMIDI情報がON/OFFであればかなり簡単ですが、連続量となると、
なにがしかのテクニックが必要となります。まぁ、ぼちぼちいきましょう。
たとえば僕が作曲家の中村滋延さんに作った数多くのMIDIセンサの中で言えば、
赤外線ビームを遮るとON/OFFする(あるいは時間差をもってON/OFFする2つの
スイッチ)、という2値センサも多いのですが、実際にはAKI-80でこの時間を
ソフトウェアで計測することで、連続量としてMIDIに送っています。(^_^)

◆AKI-80のマニュアルは全く理解できない。(^-^;) 
◆そういえば、オイラは3極管の増幅回路ぐらいしか理解できないのであった.....。
◆「アセンブラ」なんてプログラム未開人のオイラにとって禁断の言葉まで書いてあ
◆る。

うーーーーむ、これは前途多難ですねぇ。(^_^;)
AKI-80のマニュアルの冒頭にも、「まず回路図を読破して下さい。回路製作の
基本です」みたいなことが書かれていましたよね、確か。(^_^;)

◆もしかして遠大な計画に足を踏み入れたか。(^-^;)

他のMIDI製作愛好者にも参考になるように書いていくつもりです。
つきあいますので、めげないで下さいね。(^_^)

...ということで、とりあえずAKI-80の製作については、水晶を附属の
ものでなく8MHz程度にすること、あとはマニュアルに従って作るだけです。
...ただし、製作したものが正しく動作するかどうか、は、プログラムを
ROMに焼いてみないと確認できないので、ちとつらいですねぇ。(^_^;)

ちなみに僕は、いちいちROMを焼いているのではカッタルイので、パソコン
(PC-9801またはDynaBook、両方ともケーブル自作(^_^;))のプリンタポート
につないでAKI-80のROMソケットに差し込む装置を作っています。これは、
プログラムをアセンブラやCで書いた結果を、これも自作のソフトで転送して
ROMソケットから基板上のRAMにダウンロードしたプログラムを走らせてテスト
できる(OKならROMに焼く)、という「ROMエミュレータ」という装置です。
「Java & AKI-80」では、この回路図も紹介していますが、ICが10数個も
あるので、自作はちと高度なものとなります。
ROMエミュレータの市販品は3-4万円します。(^_^;)

AKI-80をとりあえず製作したら、僕だと適当なポートにLEDをつけて、
これを点滅させるプログラムが走ればOK、ということで確認しています。

MIDIをするには、MIDIコネクタのための5ピンのDINコネクタとともに、
 ・入力:フォトカプラTLP552、ダイオード1本、抵抗2本
 ・出力:74HC05、抵抗23本
というようなものが必要になります。出力をトランジスタにする人とか
色々ありますが、僕はいつもコレです。(^_^;)
AKI-80はシリアルが2ポートありますから、別個に2系統の入力と出力を
動作させることもできます。たとえば入力2系統MIDIをマージして、出力は
32MIDIチャンネルを別個に制御する、なんてのも簡単です。(^_^;)

なおAKI-80のCPUの場合、内蔵カウンタでシステムクロックを分周してMIDIの
基準クロックを作ると、MIDI受信の時にデータ落ちを起こすことがあります
ので、面倒でも外部に分周用のICを1個、置くことがポイントです。
74HC74でも74HC393でもOKです。

ということで、「AKI-80でMIDIを行う」というためには、AKI-80の他に
フォトカプラ1個と2個のICがあればいいことになります。最小サイズだと
ショートホープの箱?(僕は煙草のことよく知らないのですが)ぐらいの
大きさです。単3電池を4本並べたのと同じぐらいの体積です。

最小限「AKI-80でMIDI」システム 96/09/07 08:34


今日はこれから、また新しいMIDIセンサを製作しようと思っています。
たぶん色々と割り込み仕事もありますが、明日までには完成するでしょう。
モノは一種の汎用A/Dセンサですが、今回はここに「歪ゲージ」を使って、
ブルーワーカーに張り付けようと思っています。
筋肉の緊張とともにブルーワーカーが曲がると、それに応じて音が変化
する、というまさに体育会系インタラクティブ・センサです。(^_^)
センサ利用の最大の効果は、パフォーマーの汗が感じられるような場面
にあるのですが、これは文字通り「汗を変換する」ようなものです。

さて、そこで「保存版」として、ここで「AKI-80でMIDIをするための
最小システム」の情報をまとめておきます。前回の記事の補足というか、
具体的な回路製作のための情報です。

AKI-80でMIDIを処理するシステムの最小構成の回路図は以下のようなものです。

なお、抵抗とかICとかの部品はテキスト画面では表現できないので(^_^;)、
■であらわします。「等幅フォント」でご覧下さい。
図中の「+」「+」は、接続する、という意味です。

AKI-80のシルバーキットとゴールドキットの違いはRAM容量だけですので、
ジャンパが1箇所、違うだけです。スーパーは作ったことがないので、
以下のコネクタ名と違うかもしれません。以下のものはシルバー/ゴールド
のピン名です。

電源とGNDのピンは省略しています。以下のものです。かならず+5Vラインと
最寄りのGNDとの間に、全数、105のパスコンを入れましょう。(^_^)

<+5V電源>
 ・AKI-80のCN1の1pin,2pin
 ・TLP552の8pin
 ・74HC393と74HC05の14pin
<GND>
 ・AKI-80のCN1の3pin,4pin
 ・TLP552の5pin
 ・74HC393と74HC05の7pin

ちなみにTLP552とICのピン番号は、上から見てへこみのある部分の左隣端
が1pinで、あとは反時計回りにインクリメントされます。AKI-80は基板
に書いてあります。


以上、外部にICが3個とダイオード(普通の20円ほどの適当なもの(^_^;))1個
と抵抗5本で、MIDIの1系列に関しては終了です。(^_^)

システムクロック4MHzを2MHzに分周するのに74HC393を使うのはもったいない
のですが(74HC74で十分)、あとあとA/Dコンバータを使う時にもICを増設
しなくていいので、こちらを採用しています。

この例ではディスプレイやスイッチのポート部分がありませんが、これでも、
ソフトによって、たとえば
「MIDI入力イベントに対して、MIDI制御のパラメータだけ遅延/velocity減少
させたMIDIイベントを次々に生成」という「MIDIエコーマシン」みたいなものは
簡単にできます。(^_^)

LEDやLCDやスイッチやセンサやA/Dコンバータなどのモロモロは、8ビット2ポート
あるPIOポートを活用します。AKI80スーパーキットなら、特にテクニックなしに
このポート数が非常に多く提供されている、ということになります。ただし、
32とか48とか16ポート以上にするのは簡単なので、僕はもっぱらシルバーキット
で色々なものを作っています。(^_^)

RE:RE^2:AKI-80 96/09/08


昨日の午後から製作を初めたマシンですが、ケースの穴開け、配線まで
さきほど終了し、これから楽しい楽しいデバッグ(^_^;)とソフト開発
です。3出力のスイッチング電源を内蔵してスペースを取られてしまった
ので、基板は3階建てとなりました。
ケースのサイズは縦10cm横25cm奥行き8cmです。いつものです。(^_^)
結局、仕様としては、
 ・外部OPアンプ電源用に±12Vと±9Vと+5Vをターミナルから出力
 ・A/D電圧6チャンネル入力(0-5V)
 ・各チャンネルの状態をパネルのLED15個で表示
 ・各チャンネルの変換ON/OFFはMIDI入力から制御
 ・全A/D状態をマージしてMIDI出力(変化があったもののみ)
 ・A/D変化検出のスレショルド値もMIDIから設定可能
というようなものになりそうです。いきあたりばったりで作っているので
変更があるかもしれませんが。パネル穴の位置も適当なもので、現物合わせ
で部品を収納しています。(^_^;)

果して、今回は何箇所のハンダ付けミスがあるでしょうか。ノーミスなら
ソフト開発は30分程度だと思いますが、たいてい、1-2箇所はミスっている
もんです。これを捜すのが楽しい。(^_^;)

RE:RE^4:AKI-80 96/09/09 06:40


◆ AKI-80 だいたいできました。(^-^)
◆ それでですが、
◆ (1)リチウムバッテリーは付けた方がいいでしょうか?
◆ (2)RS232機能セレクトの選択はどうしたらよいでしょうか?
◆ 制御付き1回線か、制御なし2回線とありますが。

まず、リチウム電池はRAMデータのバックアップ用なのですが、まず要らない
と思います。僕は以前に作ったものでは、データの記憶にはICカードを使い
ました。AKI-80のオンボードでバックアップする、という必然性はあまり
ないように思います。
だいたいMIDI周辺機器のセットアップについては、
 ・機器は電源リセットで完全に初期化
 ・システムパラメータはMIDI経由で制御MAXから送ってセットアップ
という作戦が、もっとも美しいと思います。

それからRS232Cの情報ですが、どうもAKI-80superはシリアルポートが
丸裸でなく、MAX232などのRS232CのインターフェースICまで付属して
いるようですね。これ、MIDIの場合には邪魔でしかないのですが。(^_^;)

今までsuperは見たことがないので、どうも状況が見えません。
すいませんが、お手数でも、AKI-80superに付属のマニュアルのうち、
回路図あたりの部分を送っていただけますか?
ソフト開発のためにも必要な情報が欠落しています。(^_^;)

◆ さて、次はセンサーからの信号をAKI-80 に入れるのだと思いますが、
◆A/D コンバーターの制作でしょうか?(^-^)? それとも?

うーーーむ、本当はまず、A/Dに入る前にAKI-80の動作確認、付いでMIDI
入出力の動作確認のためのプログラムを走らせてみたいところですが。

ちなみに、ON/OFFタイプのセンサの入力はAKI-80そのままで、また
0V-5Vの範囲のアナログ電圧入力に対するA/Dは、ADC0809というICを
たった1個増設するだけで8チャンネルまで、いけます。(^_^)

とりあえず、superの回路情報が届いたら、動作確認のためのテスト
プログラムをROM化してお送りしたいと思いますが。

P.S.
昨日製作していたマシンですが、午後にあっさり完成しました。(^_^)
ハンダ付けミス、というか配線を1本忘れていた(+5VからLED群の共通電源
供給ライン。最初はまったくLED点灯せず(^_^;))だけでした。

これで、「ケースのサイズ:縦10cm横25cm奥行き8cm」というラインナップ
は5台目となりました。もっぱらprivateマシンに
使っているのですが、ずらりと並ぶと壮観です。ちなみに内容は、
 ・4台のMac/Indy用MIDIインターフェース
 ・Indy用MIDIフィルタ+3inMIDIマージャ+MIDI表示3桁7セグLED
 ・MIDI制御8in8outビデオマトリクススイッチャ
 ・ワイヤレスパワーグローブ受信機MIDI出力
 ・汎用6系統入力アナログMIDI出力
というようなものです。いずれも単体では何もしない(^_^;)のですが、MAXと
組み合わせてシステム化すると、活躍してくれます。パネルには動作表示の
LEDが並んでいるので、演奏中はキラキラしています。

AKI-80テスト用ROM 96/09/10


AKI-80superの資料が届きました。
東芝CPUの分厚いマニュアルや周辺LSI、MAX232のデータシートまで送って
いただいて恐縮です。これは昔から持っていましたのに...。(^_^;)
しかし、資料と回路図によって、必要な情報は判りました。
以前の情報を、super版に改訂したものも紹介しておきましょう。


シルバー/ゴールドキットとは、まるでコネクタのピンアサインが異なる
ので、信号名で表示した方がよかったのですね。(^_^;)

ところで、一緒に「生ROM」も届きましたので、とりあえず、AKI-80が
生きていることの確認のための簡単なROMを作りました。
これからちょこちょこと焼いて、ちょっとしたお土産(^_^)も含めて、
お送りしておきましょう。

内容ですが、
 ・MIDI入力のうち、ノートイベント(9n ** **)が入力されると、全ての情報
  をMIDIの2チャンネルに変換して(^_^;)出力する。
 ・MIDI入力のうち、チャンネルプレッシャー(Dn **)だけをスルーする。
 ・他のMIDI入力は全て食ってしまって出力しない。(^_^;)
 ・パラレルポートPAの全ビットを周期的にON/OFFする。ビットパターンは
  01010101と10101010を交互に繰り返す。
  (PAはAKI-80superではCN1の10-3pin、シルバー/ゴールドではCN1の
   26-19pinです)
これを、[FMIDI001]と名付けておきます。(^_^)
今後、随時バージョンを増やしていきましょう。とりあえず999まで行けます。

パラレルポートの動作確認は、それぞれのポートのビットに対して、


とすれば、出力Lowで点灯、出力Highで消灯します。

このROMでMIDI入出力関係をMAXでちらっとテストして確認し、かつポートの
LEDの点滅を確認しておけば、あとは任意のセンサ情報からMIDI出力する
ようにするのは、その部分のハード確認とプログラムだけでカンタンです。

AKI-80テスト用ROM プログラム

;-----------------------------------------------------------------------
;	AKI-80 test [FMIDI001]
;-----------------------------------------------------------------------

;##### RAM Map #####
	dseg
	org	0000h
rx_fifo		ds	2048
tx_fifo		ds	2048
rx_top		ds	2
rx_end		ds	2
tx_top		ds	2
tx_end		ds	2
rsb		ds	1
dcb		ds	1
channel		ds	1
keyno		ds	1
buff		ds	1
led_data	ds	1
timer		ds	3

;##### I/O Map #####
	cseg
sio_a		equ	0018h
sio_b		equ	001ah
pio_a		equ	001ch
pio_b		equ	001eh

;##### MACRO #####
io_set	macro	@1,@2
	ld	a,@2
	out	(@1+1),a
	endm

;##### RESET #####
	org	0000h
	ld      sp,09fffh
	di
	jp      main

;##### INT / NMI #####
	org     0020h
	dw	_midi_
_midi_:
	ex	af,af'
	exx
	ld	de,(rx_top)
	ld	a,10000000b
	or	d
	ld	h,a
	ld	l,e
	in	a,(sio_a+0)
	ld	(hl),a
	inc	de
	res	3,d
	ld	(rx_top),de
	exx
	ex	af,af'
	ei
	reti
	org     0066h
	retn

;##### Main #####
main:
	ld      hl,08000h
_ram_clear_loop:
	ld	a,0
	ld      (hl),a
	inc     hl
	ld	a,h
	cp      0ah
	jr	nz,_ram_clear_loop
	io_set	pio_a,0cfh		; Mode 3
	io_set	pio_a,00000000b		; 0:Out / 1:In
	io_set	pio_a,007h		; Interrupt Disable
	io_set	pio_b,0cfh		; Mode 3
	io_set	pio_b,00000000b		; 0:Out / 1:In
	io_set	pio_b,007h		; Interrupt Disable
	io_set	sio_b,00011000b		; Channel Reset B
	io_set	sio_b,00000100b		; Resister Point = 4
	io_set	sio_b,11000100b		; Mode
	io_set	sio_b,00000001b		; Resister Point = 1
	io_set	sio_b,00000000b		; Interrupt Mode
	io_set	sio_b,00000010b		; Resister Point = 2
	io_set	sio_b,20h		; Vector Address
	io_set	sio_a,00011000b		; Channel Reset A
	io_set	sio_a,00000100b		; Resister Point = 4
	io_set	sio_a,11000100b		; Mode
	io_set	sio_a,00000001b		; Resister Point = 1
	io_set	sio_a,00010000b		; Interrupt Mode
	io_set	sio_a,00000101b		; Resister Point = 5
	io_set	sio_a,01101000b		; Transmit Start
	io_set	sio_a,00000011b		; Resister Point = 3
	io_set	sio_a,11000001b		; Receive Start
	im	2
	ei
	in	a,(sio_a+0)		; dummy read
	ld	a,01010101b
	ld	(led_data),a
loop:
	call	living_led
	call	tx_data_check
	call	rx_data_check
	jr	loop

tx_data_check:
	ld	de,(tx_end)
	ld	hl,(tx_top)
	and	a			; CY <-- 0
	sbc	hl,de
	ret	z
	io_set	sio_a,00000000b		; Resister Point = 0
	in	a,(sio_a+1)
	bit	2,a
	ret	z
	ld	a,10001000b
	or	d
	ld	h,a
	ld	l,e
	ld	a,(hl)
	out	(sio_a),a
	inc	de
	res	3,d
	ld	(tx_end),de
	ret
tx_fifo_set:
	ld	de,(tx_top)
	ld	a,10001000b
	or	d
	ld	h,a
	ld	l,e
	ld	(hl),b
	inc	de
	res	3,d
	ld	(tx_top),de
	ret
rx_data_check:
	ld	de,(rx_end)
	ld	hl,(rx_top)
	and	a			; CY <-- 0
	sbc	hl,de
	ret	z
	ld	a,10000000b
	or	d
	ld	h,a
	ld	l,e
	ld	b,(hl)
	inc	de
	res	3,d
	ld	(rx_end),de
	bit	7,b
	jr	z,50$			; running
	ld	a,b
	cp	0f8h
	ret	nc
	cp	0f0h
	jr	c,10$
	xor	a
	ld	(rsb),a
	ret
10$:
	ld	a,b
	and	00001111b
	ld	(channel),a
	ld	a,b
	and	11110000b
	ld	(rsb),a
	xor	a
	ld	(dcb),a
	ret
50$:
	ld	a,(rsb)
	cp	0
	ret	z
	cp	0c0h
	ret	z
	cp	0d0h
	jp	z,_dn_through
	ld	a,(dcb)
	cp	0
	jr	nz,90$
	inc	a
	ld	(dcb),a
	ld	a,b
	ld	(keyno),a
	ret
90$:
	xor	a
	ld	(dcb),a
	ld	a,(rsb)
	cp	090h
	ret	nz
	ld	a,b
	ld	(buff),a
	ld	b,091h			; MIDI Channel = [2] fixed !!!
	call	tx_fifo_set
	ld	a,(keyno)
	ld	b,a
	call	tx_fifo_set
	ld	a,(buff)
	ld	b,a
	call	tx_fifo_set
	ret
_dn_through:
	ld	a,b
	ld	(buff),a
	ld	a,(channel)
	or	0d0h
	ld	b,a
	call	tx_fifo_set
	ld	a,(buff)
	ld	b,a
	call	tx_fifo_set
	ret
living_led:
	ld	a,(timer+0)
	inc	a
	ld	(timer+0),a
	cp	0
	ret	nz
	ld	a,(timer+1)
	inc	a
	and	00111111b
	ld	(timer+1),a
	cp	0
	ret	nz
	ld	a,(led_data)
	xor	11111111b
	ld	(led_data),a
	out	(pio_a),a
	ret

	end


RE:AKI-80テスト用ROM 96/09/11 14:57


◆MAX232 ですが、これを取り外すのはわかりましたが、その周りのコン
◆デンサはどうしましょう?。これも外した方がいいですか?。

MAX232を取り去れば、MIDIとカチ合う信号線が無事に浮きますので、周囲の
コンデンサは無関係となりますので、放置していて結構です。

◆さて、今日も仕事の前に秋月電子です。(^^)

いいなぁ。田舎者が性に合っている僕は、別に東京に住むなんてことはちっとも
羨ましくない(むしろ気の毒...)のですが、スグに秋葉原に部品を買い出しに
行けるのだけは羨ましいです。

RE:RE^2:AKI-80テスト用ROM 96/09/12 14:21


◆最小限「AKI-80でMIDI」システムで、「5v」とありますが、6vつないでも大丈夫
◆ですか?
◆AKI-80スーパーは6vをつなぐようになっているので、この電源がそのまま使えると
◆便利なのですが(6vDCアダプター使用)。
◆それとも、AKI-80スーパー内部の5vのところから引っ張ってきた方がいいですか
◆または、別個に5v電源が必要でしょうか。(^^;)

僕の回路図で「+5V」と書いてあるところは、AKI-80superの回路内の+5Vの
どこかから持ってきて下さい。つまり、6VDCアダプターから作られた+5Vを
そのまま利用します。
場所としては、コネクタに出ている+5Vか、あるいは14ピンICの14番ピン、
電源ケミコンの+側などから持ってきます。EPROMソケットなら28番ピン
ですね。

◆ それと、5pin DIN (メス)の見方ですが、
◆ へそを下にして5個の穴が上になるようにし、挿す面を正面に見て、左から
◆1,4,2,5,3 としましたが、あってますか?。

合っています。よくよく見ると、裏か表に小さく番号が刻印されています。

◆そういえば、TLP552 がなかなか無くて探しまくったのですが、

昔はシャープのPC900というのを使ったものですが、今では東芝のTLP552が
多いようです。このフォトカプラだと、MIDIのスピードが10倍になっても
ついていきます。

RE:RE^4:AKI-80テスト用ROM 96/09/13 22:37


◆EPROM「FMIDI001」届きました。(^o^)/ ほんとにありがとうございます。

無事に動いたようで、よかったですね。(^_^)

◆MIDIも1CH入れると、ちゃんと2CHになって出てくる、やった!(^o^)
◆おおっ、ピッチベンドもモジュレーションも何もかも、吸い込んだまま、出てこな
◆い!。このシステムはコントロールナンバーのブラックホールか!。

関係ない情報を食ってしまって出さないのは、基本的にセンサ関係は情報量が
多くなるので、無関係な情報をなるべく少なくして、受け手の負荷を軽くする
ためです。
今回のソフトの場合、ノートナンバを入れなければ、コントロールチェンジ
とかベンドなどは全て食ってしまいますので、これをそのままIndyに与えても
止まりません。(^_^)

◆いま手元にある鍵盤は、チャンネルプレッシャーが出ないので、そこのところは
◆チェックできませんが.....。

テストは、MAXでササッとできます。(^_^)
以下のパッチは今回のROMのためのものではありませんが、たぶん使えます。
このテキストファイルを、MAXから「読み出し」でロードしてみて下さい。
こういうテスト用パッチは、開発期間2-3分というところです。(^_^)
============================================== max v2; #N vpatcher 11 42 612 389; #P newex 435 101 55 196617 touchin 14; #P number 437 138 73 20 0 0 0 3; #P number 358 139 73 20 0 0 0 3; #P newex 356 102 55 196617 touchin 13; #P newex 277 103 55 196617 touchin 12; #P number 279 140 73 20 0 0 0 3; #P number 200 141 73 20 0 0 0 3; #P newex 198 104 55 196617 touchin 11; #P newex 119 105 55 196617 touchin 10; #P number 121 142 73 20 0 0 0 3; #P newex 40 106 49 196617 touchin 9; #P number 42 143 73 20 0 0 0 3; #P newex 433 19 49 196617 touchin 6; #P number 435 56 73 20 0 0 0 3; #P number 356 57 73 20 0 0 0 3; #P newex 354 20 49 196617 touchin 5; #P newex 275 21 49 196617 touchin 4; #P number 277 58 73 20 0 0 0 3; #P number 198 59 73 20 0 0 0 3; #P newex 196 22 49 196617 touchin 3; #P newex 117 23 49 196617 touchin 2; #P number 119 60 73 20 0 0 0 3; #P newex 38 24 49 196617 touchin 1; #P number 40 61 73 20 0 0 0 3; #P newex 42 222 55 196617 touchout 1; #P user hslider 42 197 22 54 128 1 0 0; #P newex 121 221 55 196617 touchout 2; #P user hslider 121 196 22 54 128 1 0 0; #P user hslider 200 195 22 54 128 1 0 0; #P newex 200 220 55 196617 touchout 3; #P newex 279 219 55 196617 touchout 4; #P user hslider 279 194 22 54 128 1 0 0; #P user hslider 358 193 22 54 128 1 0 0; #P newex 358 218 55 196617 touchout 5; #P newex 437 217 55 196617 touchout 6; #P user hslider 437 192 22 54 128 1 0 0; #P newex 44 250 40 196617 notein; #P number 203 283 73 20 0 0 0 3; #P number 124 284 73 20 0 0 0 3; #P number 45 285 73 20 0 0 0 3; #P newex 361 301 50 196617 noteout 5; #P newex 360 275 92 196617 makenote 100 500; #P user hslider 340 253 18 128 128 1 0 0; #P connect 42 0 41 0; #P connect 38 0 37 0; #P connect 39 0 40 0; #P connect 35 0 36 0; #P connect 32 0 31 0; #P connect 34 0 33 0; #P connect 30 0 29 0; #P connect 27 0 28 0; #P connect 26 0 25 0; #P connect 23 0 24 0; #P connect 22 0 21 0; #P connect 20 0 19 0; #P connect 17 0 18 0; #P connect 14 0 13 0; #P connect 15 0 16 0; #P connect 11 0 12 0; #P connect 10 0 9 0; #P connect 7 0 8 0; #P connect 6 1 4 0; #P connect 6 0 3 0; #P connect 6 2 5 0; #P connect 1 1 2 1; #P connect 1 0 2 0; #P connect 0 0 1 0; #P pop; ==============================================

◆それから、変なROM 送ってしまったようですみませんでした。m(..)m
◆よく見ると、27C256 で私の送ったのは27HC256 ですね。「H」が余計
◆でした。
◆秋月のニイチャンは何を間違えたのでしょうか?。

27HC256でも書き込みできるROMライタはあると思うのですが、たまたま僕の
手元のライタは正しく認識できなかったみたいです。
もしかすると、プログラム電圧が12.5Vでなく21Vなのか、あるいはメーカID
が登録されていないものなのか....。
とりあえず、今後は手元のROMで焼いて送ります。
なお、今回のROMですが、今後、AKI-80で製作する方のために手元に置いて
おいて下さい。皆んなの財産として使い回ししたいと思います。(^_^)

ところで、ここまで製作できたら、いよいよセンサキットとつなげてMIDI出力
したいですよね。まず最初は、たとえば赤外線ビームを遮る時間でも計測
したらどうかな、と思うのですが、どうでしょうか。

完成しているキットの資料もいただけると、AKI-80との接続方法などお知らせ
できるのですが。(^_^;)

音楽愛好家のためのMIDI(^_^) 96/09/20 22:21


...せっかくの機会ですから、状況を整理しておきましょう。

○○さんは、MAXのパッチとSC-88で、なんと音声合成にトライしています。
SC-88という優れた音源、そしてMAXという優れた環境がなければ実現できない
実験ですが、かつては「楽器メーカによって画一的に供給されていたMIDI
プログラミング」(音楽情報科学アルゴリズム)が、MAXによって、音楽を
愛する熱心なアマチュアにも手が届くようになった、という好例です。
メーカが提供するシーケンサや音源から飛び出す可能性とも言えるでしょう。
アイデアと熱心な情熱があれば、MAXによって、「音楽情報科学ソフトウェア」
の世界はアマチュアでもICMCなど世界の先端につながる可能性が出現したと
いうわけです。

そして、今度はハードウェアの世界です。ヤマハの物理モデルシンセ、という
これまた素晴らしい「道具」が出現しました。MIDIベースのソフトウェアの
部分は、MAXでアマチュアでも自在に実験できます。この領域はもはや、
メーカに提供されたアルゴリズムに限定される必要性がなくなりました。
ただし、問題は人間とコンピュータとの接点、センサの部分というわけです。
市販の電子楽器(MIDIドラムパッド、ウインドMIDI、MIDIギター、
ピッチtoMIDI、MIBURI、BioMUSE等)のMIDI出力をそのまま使う、というのは
一つの方法です。しかし、それで満足できない場合、これまではアマチュアは
手が届かないところがありました。

ところが、AKI-80のようなコンパクトなマイコンボードが多種、出現して
きました。これを全部CPUとかメモリとかI/Oとかから基板に並べて設計・製作
するのはアマチュアには厳しいですが、AKI-80は半完成品キットとして、
正しいハンダ付けさえできれば、誰でも確実に製作できるようになりました。
これは◇◇さんのレポートでも判るでしょう。(^_^)
そして、ここに先日の僕の記事のような簡単なハードウェアを付加すること
で、オリジナルのMIDI化というのは簡単にできるのです。もちろん、CPUの
プログラムをアセンブラで書くのはアマチュアには厳しいですが、Cでも
簡単に書ける環境がある(簡易Cコンパイラは2,500円です(^_^;))、さらに
Javaで書ける可能性まである(^_^)、というところを僕は本に書いたところ
なのです。(^_^)(^_^)(^_^)
もちろん、CPUソフトウェアは応援の気持ちを込めてサポートしていきます。

そこで問題は、センサそのもの、ということになりました。ところが、
秋月電子とか大阪日本橋の共立電子に行ってみると判りますが、最近では
「電子工作キット」として、非常に多種のセンサキットを売っています。
僕の自宅のすぐ近くにある「○ツ電波」でも20-30種類が並んで
いますし、CQ出版「トランジスタ技術」誌の広告で、全国誰でも通信販売で
入手できます。赤外線ビーム遮断センサ、人体近接焦電センサ、紫外線、
放射能(^_^;)、磁気、ジャイロ、加速度、圧力、歪み、......。(^_^)
僕が特注のアナログ電圧−MIDIコンバータというセンサ装置を納品したIRCAM
の作曲家は、基準電圧をかけたニクロム線を張った「楽器」(途中に接点と
接触させる位置によってアナログ電圧を連続的に発生してMIDI化)を手作り
しているようです。そこまでして、市販の電子楽器にない自分の音楽表現を
実現したいのだそうです。(^_^;)

このようなセンサキットと、AKI-80のようなマイコンボードのキットの結合
によって、ソフトウェアの世界で実現された「アマチュアのMIDIへの参加」
をハードウェアの世界でも実現したい、というのが僕の個人的な願いなのです。
たとえば、「8個とか16個のスイッチON/OFF」を入力して、それぞれのON-OFF
時間を計測して連続値としてMIDI出力する、というセンサを僕は作曲家の
中村滋延さん(僕の現代音楽の師匠です)の依頼によって製作しました。
すでにこのマシンは僕の手を離れて、たとえばOMRONの赤外線スイッチ
(もともと工場のベルトコンベアー上を流れる部品の位置を検出するもの)
との組み合せで、多くの中村さんの作品やインスタレーションに活用されて
います。ここで、作曲家である中村さんにAKI-80のマイクロエレクトロニクス
技術を要求せずに、ON-OFFスイッチ部分だけの自作にまで簡単にする、という
のは、音楽情報科学を愛するエンジニアや研究者/科学者の仕事であろう、
と思っているのです。

...ということで、◇◇さんは門外漢でありながら、「ヤマハの物理音源
シンセを自分の音楽的要求に応じたところまで制御したい」という情熱から、
なんとAKI-80を製作し、僕のテストROMでMIDI周辺回路まで稼働してしまい
ました。(^_^)
既に赤外線センサキットも自作し、浜松ホトニクスの紫外線センサ?も、
データシートにあった参考回路まで製作したということです。(^_^;)
この熱意に応えなければ、僕も同じく音楽を愛する者として失格だ、という
わけで、プレッシャーを感じている今日この頃です。(^_^)

もし、他にも「MIDIを本当の意味で自分なりに活用したい」と思われる方が
いたら、まずは
 ・MAXによって、MIDIのソフトウェアを自分の世界に引き込む
という方向を検討してみて下さい。音楽的な刺激と可能性に驚くことでしょう。
そして、特に「人間とコンピュータシステムとの対話」とか「音楽の演奏」に
興味のある方なら、
 ・AKI-80とセンサによってMIDIシステムを自作/実験する
という可能性にもチャレンジしてみて欲しいと思います。それまで手にしていた
「楽器メーカ提供の電子楽器」というものの見方が、変わることと思います。
MIDIとは与えられるものではなくて自分で規定する「道具」でしかない、と
いう視点は、音楽の世界を大きく深めてくれることでしょう。(^_^)

−−−−−−−−−−−−−−−−−−−−−−−−−−−−−−

ということで、とりあえず◇◇さんから届いたセンサキットの資料に対応して
書くと、AKI-80システムでセンサキットをMIDI化するには、いくつかの種類が
あります。

●リレーをON/OFFさせるタイプ

ON/OFFという情報のみをMIDIで出す、というのであれば、まったく簡単です。
リレーの出力接点からAKI-80への接続としては、たとえば


としておけば、接点がA側ならAKI-80の入力ポートにHIGH状態が、B側なら
LOW状態が入力されて、ソフトウェアはこの状態を検出できます。

ただし今回、◇◇さんが製作したキットの場合、どうも赤外線といっても焦電
センサというか近接センサのようで、ICの「555」で、いったんONがあると
5秒とか10秒だけ、ONを保持するようなものです。これだと、ビーム遮断
の時間を計測、というのはツライです。
逆に、インスタレーションなどで、このセンサで来場者があったことを検出
するとMAXのパッチで音楽が自動スタートする、などというのには使いやすい
ものです。

OMRONの赤外線スイッチや、僕の作品のために製作したSNAKEMANの
ための赤外線ビーム遮断スイッチキットの場合には、ビームのON/OFFを
そのまま出力していますので、これだとAKI-80のソフトで遮断時間を
連続量としてMIDI出力することが可能となります。

●LEDをON/OFF点滅させるタイプ

これも、基本的にはディジタルのON/OFF信号としてAKI-80に入力させる
ことが可能です。

●電圧として出力させるタイプ

これは、A/DコンバータをAKI-80に外付けする必要があります。そこで、
 ・A/D回路のAKI-80回路への増設(ICを1個でできます)
 ・センサの出力電圧レンジをA/DのICの入力可能レンジに変換する回路
  (OPアンプ回路の基本みたいなものです。たいていはICが1個でOK)
という製作が、さらに必要となります。僕がいつも使っているA/Dを使う
のであれば、ソフトの部分はテンプレートがありますので、それほど
ヘビーな仕事というわけでもありません。

●周波数として出力させるタイプ

これは、ちょっと厄介です。テルミンのように、その周波数をそのまま音楽
に利用してしまえばいいのですが、MAXでアルゴリズムを自在に仕込むため
には、一度MIDI化しなければなりません。
周波数が可聴周波数帯域なら、強引に「ピッチtoMIDI」にいれる、という
方法も考えられますが、これはアンマリですよね。(^_^;)
OPアンプでF-Vコンバータ回路を作って(周波数パルスを積分する、という
簡単な回路です)、これをA/Dに与える、という方針になります。
できれば、こういうキットは避けた方がいいのですが、センサの種類によって
は、周波数で出力するものもあります。

●電流値として出力するタイプ

これは工業用/計測用ではよくありますが、実はこれ、負荷抵抗によって
電圧になりますので、それほど問題はありません。ただし、ゼロ出力でも
一定の電流を流すので、ゼロ出力でも一定の電圧があります。そこで、
A/D変換としては、ある種のオフセット分だけ精度が悪化する、という宿命
にあります。まぁMIDIの128段階に対しては問題にならないですが。

●抵抗値として得られるタイプ

これは、「歪ゲージ」などの物理量−抵抗値変換素子をそのまま裸で使う
場合に遭遇します。基本的には、センサ単体でなく、キットとして提供される
「センシングアンプ」を使うことをお奨めします。OPアンプで自作する
のは、ちょっと経験を積んでからの方がいいでしょう。方針としては、
抵抗によるブリッジ回路の一つにセンサを入れて、これをOPアンプによって
電圧に変換する、ということになります。

....ということで、とりあえずインスタレーションで使用できる
「リレーのON/OFFをMIDIで出力」というものであれば、次のバージョンの
EPROMをお送りするのは簡単です。(^_^)
上記の回路で、リレーの出力端子から「+5V」「0V」が出ていることを
確認したら、MIDIのどんな形式で出力したいか、というリクエストをお願い
します。時間がとれたらROM化します。(^_^)

P.S.
秋月電子の「EPROMライタキット」というのを作ってみました。AKI-80が
内蔵されています。PC98でもDOS/Vでも、簡単にEPROMを焼けました。
マニュアルに従って慎重に作れば無調整で作れますよ。
これ(9800円)とEPROMイレーサ(サンハヤト、約9500円)があると、
書き込むべきデータをインテルHEX形式(テキストファイル)として
メイルして次々に書き込んで実験できるので、いちいち郵便で送らなくて
よくなる、ということはありますが。(^_^;)

最小限「AKI-80でアナログ→MIDI」 96/09/28 12:01


これまでの記事に追加するかたちで、AKI-80のMIDIシステムに、
8チャンネルのアナログ電圧を取り込む回路部分を紹介します。
使用するA/DコンバータのICは「ADC0809」というもので、既に
電子業界のプロが使うものとしての役目は終わっている(^_^;)
旧世代のICですが、
 ・5V単一電源
 ・8チャンネル入力
 ・8ビット、500KHz変換
 ・28ピンDIP
ということで、なかなかアマチュアには使いやすいのでオススメです。
秋葉原で1500円ぐらい、うまく通販とか調べると600円ぐらいで入手
できます。

ただし、入力電圧レンジが0V-5Vですので、これを越えたりマイナスの
入力で破壊しないように、外部回路で調整するのは製作者の責任です。

以下の回路例では、AKI-80の2つの8ビットポートを両方とも使用します。
すると、パネルのLEDとかスイッチ入力のためのポートがなくなって
しまう(^_^;)のですが、この解決方法としては、
 ・AKI-80superを使って、他のポートを利用する
 ・下記のポートAからラッチ等を出して、ポートAをソフトで
  入力/出力と切り換えて使う
などの方法があります。とりあえずここではこのテクニックは除外して
シンプル化しておきます。(^_^;)
また、8チャンネルでなくもっとADC0809を増設したい、という場合、この
ままで増設ICナシで3個(24チャンネル)、ICを2-3個増設すると8個
(64チャンネル)等にも拡張できますが、これもまぁ、省略。(^_^;)

なお、AKI-80側については、ゴールド/シルバーとsuperとで、まったく
信号とコネクタ番号との対応が違っていることが判明しましたので、
AKI-80側は信号名で書きます。それぞれ、マニュアルから該当する
ピンを調べて下さい。
ADC0809の方はピン番号で記します。
もちろん、この接続はこの通りでなくても可能ですが、この通りに接続
していただければ、僕からテスト用のEPROMが即刻スムースに提供できる、
ということです。(^_^)

これまでの回路と、74HC393とMIDI入出力の周辺はまったく同等です。
(下図では省略しています)
ただし、A/D変換のためのクロックを、さらに74HC393から取り出します。


これだけで、同時に8チャンネルのアナログ電圧をMIDI化して出力
しつつ、MIDI入力情報もマージして(^_^)出ます。
ただし、僕の手元のソフトそのままだと、MIDI情報は特定の形態
にFIXされていますが。(^_^;)

RE:最小限「AKI-80でアナログ→MIDI」 96/09/30 19:37


◆さっそく質問ですが、ADC0809 の11  pin--+、12pin--|、13pin--|、はどこにつな
◆がっているのでしょう?。
◆これは、9pin,11pin,12pin,が+5vで、13pin,16pin,がGND ということでしょうか?

すいません、書き方が悪かったですが、その解釈で正解です。
9,11,12は電源だけでなく、プラスのリファレンス電圧と出力イネーブルです。
13,16はGNDだけでなく、マイナスのリファレンスもあります。

◆それと、秋月のEPROM ライターを入手しましたが、この中のAKI-80の水晶も8Mに変
◆えた方がよいですか?。

これは絶対に、付属している水晶を使って下さい。
パソコンとRS-232-Cでやりとりするので、ROMライタだけは水晶はMIDIとは
縁のない周波数となります。

RE:RE^4:最小限「AKI-80でアナログ→MIDI」 96/10/05 18:47


◆すでに、サンハヤトのイレーサーは手に入れてあります。(^^)

うーーーむ、スルドイなぁ。(^_^)

◆生ロムも6つあります。ただし、このあいだ送った書き込み出来
◆なかったのと同じ物なので、ちょっと心配です。(^^;)

僕の手元のPC98スロット用のROMライタでは駄目だったのですが、秋月のROMライタ
ではできるかもしれません。なんせ手元にないので不明ですが。
もし駄目だったら、日立とか東芝とかNECとか富士通の「27C256」というもの
であれば、全部OKです。

とりあえず手元のサンプルプログラムを紹介します。
これは既に作ったものそのままなので、仕様としては
 ・A/D入力のIN(0)-IN(5)までの6チャンネルを出力する
 ・MIDI入力のうち、ノートオン/オフだけを、全てMIDIチャンネルを
  1チャンネルに書き換えて出力しつつ、チャンネルプレッシャー出力として
  A/D入力情報をマージして出力する
 ・PIOのポートBのビット5のLEDを点滅させる
という動作をします。
以下の===========================で挟まれた部分だけを切り出したファイル
を、「****.HEX」という名前のインテルHEXファイルとして、
ROMライタに転送するとOKです。
オフセットアドレスは0番地にして下さい。
書き込んだROMをソケットに入れて電源を入れるだけでスタートです。

とりあえず、A/D入力には、10Kオーム以上のボリュームの両端に+5VとGND
をつないだ中間端子の出力を与えれば、フルスケールでほぼ0-127の値が
MIDI出力されるでしょう。うまくいけば、です。(^_^;)

========================================================================== :0700000031FF9FF3C368000C :1C002000220008D9ED5B00903E80B2676BDB187713CB9AED530090D908FBED4DDF :20006600ED452100803EA0360023BC30FA3ECFD31D3EFFD31D3E07D31D3ECFD31F3E10D30B :200086001F3E07D31F3E18D31B3E04D31B3EC4D31B3E01D31B3E00D31B3E02D31B3E20D3E8 :2000A6001B3E18D3193E04D3193EC4D3193E01D3193E10D3193E05D3193E68D3193E03D387 :2000C600193EC1D319ED5EFBDB183E00320F90D31EAF321090CD1A02CD9A01CDEC00CD2263 :2000E60001CDD00118F2ED5B06902A0490A7ED52C83E00D319DB19CB57C83E88B2676B7E37 :20010600D31813CB9AED530690C9ED5B04903E88B2676B7013CB9AED530490C9ED5B029052 :200126002A0090A7ED52C83E80B2676B4613CB9AED530290CB78281E78FEF8D0FEF038058D :20014600AF320890C978E60F320A9078E6F0320890AF320990C93A0890FE00C8FEC0C8FEA7 :20016600D0C83A0990FE0020093C32099078320B90C9AF3209903A0890FE90C078320C90F2 :200186000690CD10013A0B9047CD10013A0C9047CD1001C93A0D903C320D90FE00C03A0E3F :2001A600903CE67F320E90FE1E2805FE2D280EC93A0F90E601F620320F90D31EC93A0F908B :2001C600E601E6DF320F90D31EC93A18903C321890FE32D8AF321890DB1ECB67C8DB1CCBA4 :2001E6003F4F3A10906F2600111190197EB9281579773217903A1090F6D047CD10013A17DE :200206009047CD10013A10903C321090FE062004AF3210903A0F90E6204F3A1090B1D31EE8 :0D022600F608D31E00E6F7D31E320F90C974 :00000001FF ==========================================================================

RE:RE^6:最小限「AKI-80でアナログ→MIDI」 96/10/07 07:50


◆で、あの数字の束をMAC のSIMPLE TEXT で「02.HEX」という名前のファイルに
◆して、DOSの720KフォーマットのフロッピィにSAVE しました。
◆それを、エプソン386LS(98互換機)/MS-DOS 3.3 上でAKIROM を起動し、
◆読ませようとしたところ、「HEX FILE ではありません」というメッセージが
◆出てしまいます。
◆試しに、TYPE コマンドでこの02.HEX を見てみると、20行近くあるはずなのに、た
◆った1行しか表示されません。
◆マック→DOS がうまくいってないのでしょうか?。フォントとか関係あるのでしょう
◆か。

たぶんフォントは関係ありません。
おそらく、Macの行末コードがDOSと違っているのでしょうか。
SIMPLE TEXTでなく、たとえばJeditなどで、save asの時にテキスト形式で、
さらに行末コードをDOSにするとどうでしょうか。
DOSマシンのtypeコマンドで同じように見えればOKです。
なお、==================== の行は不要です。念のため。
1行だけでは、最終行の「データ終了」がないので形式エラーとなります。

(^_^)自作MIDIセンサ(^_^) 96/10/08 08:22


◆全てうまくいきました!。(^o^)/ グッドなアドバイスありがとうございました。
◆いいですねぇ、この装置。アナログ入力が6chもあれば、しばらくは十分です。

よかったですね。(^_^)

◆最初はA/D 入力の(0)〜(5)を繋がないでほっといたので、チャンネルプレ
◆ッシャーが出鱈目に出てきて、どこか間違ったのかと焦りましたが、この6入力
◆をそれぞれボリュームに繋いだり、GND に繋いだりしたら、正常になりました。

入力が不定だとデータがバラバラと出るので、A/Dの入力端子それぞれに、
50K-100KオームぐらいをGNDとの間につないでみるのもいいでしょう。

...ということで、◇◇さんの手元でも「任意のアナログ電圧をMIDI化して
出力」というマシンが完成したようですので、ここでまとめておきます。

# 対象はもちろん、次に作ってみたい!と思っている、あなたです。(^_^)

ここでは「MIDI機器を自作してしまう」(^_^)というプロジェクトが進みました。
秋葉原の秋月電子の3500円ほどのカードマイコンAKI-80で、MIDIは2系列
まで自在に処理できます。A/DコンバータのICを1個使って、センサでも
脳波でも(^_^;)、任意のアナログ電圧が8チャンネルまでMIDI化して
送れます。MIDIマージだってOK。専用の高い製品は不要です。(^_^;)
◇◇さんは、アマチュアとしてはなかなか上級の部類ですが、ハンダづけ
の初心者でも、ここまでの記事をフォローすれば自作可能です。(^_^)

今回、◇◇さんの手元で完成したマシンは、市販のセンサキットでも、
大型スライドボリューム(秋葉原のガード下のパーツ屋で、在庫少数と
なった、かなり軽い大型のを売っていたのです..)でも、なんでも接続
して同時に6系列、MIDI出力します。楽器制御もよし、インスタレーション
に使用して来客の動きをセンシングするもよし、自然界の物理情報を
検出して(風速、温度、湿度、圧力、騒音、放射線(^_^;))アクティブな
サウンドスケープを作るもよし。(^_^)

ニクロム線を1メートルぐらい張って両端に+5Vをかけ、その途中で金属の
指サックをスライドさせてその地点の電圧を取り出せば、これだけで
1弦琴のできあがりです。(^_^)
(これは現在、IRCAMの作曲家が来年のヨーロッパツアーで僕のマシンを
 使うためにトライしている方法の一部です(^_^;))
もうこれは、秋葉原を離れて、東急ハンズの世界、明和電機の世界です。
マシンができてしまえば、センサ部分はまさにアマチュアのアイデアの
宝庫です。こういうマシンを安く売り出すメーカがあってもいいのに。

ということで、他にも続きたい人はサポートしていきますので、どんどん
挑戦してみて下さい。
このセンサとMAXを活用すれば、本当にアイデア次第ですぐにでも世界の
トップに躍り出る可能性があります。本当ですよ。(^_^)