MiniBioMuse-III

2001年3月 長嶋洋一


外観写真

  

技術情報

  1. アナログフロントエンド回路
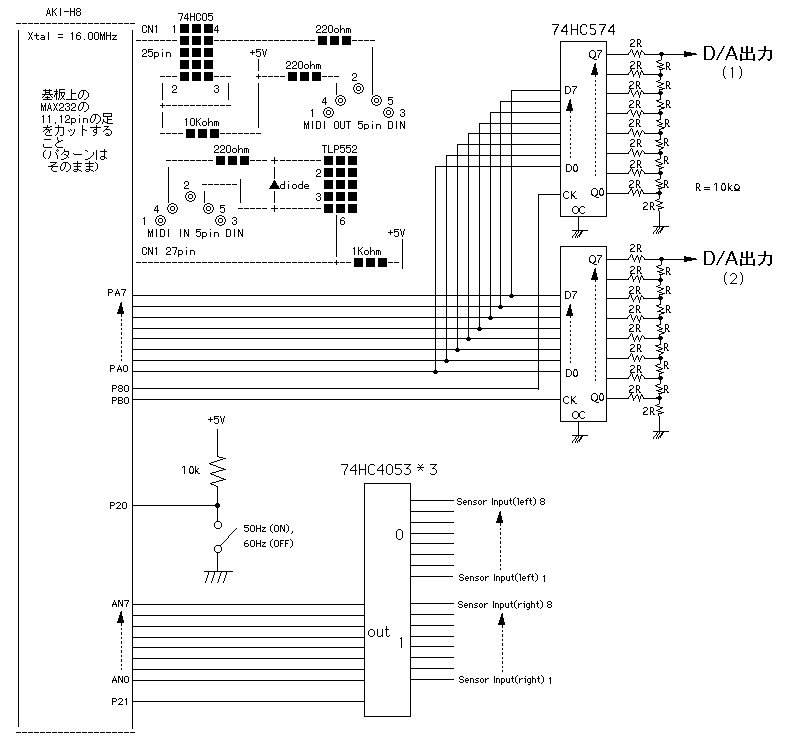
  2. マイコンAKI-H8回路

アナログ出力信号波形とスペクトル

  条件:両腕(肘から手首方向に5cm)の周囲にそれぞれ8電極ずつ

電極からのアナログ信号とDSP処理によるハム除去後信号

  上段:左手の各電極からのアナログ信号
  下段:そのチャンネルをA/D-フィルタ処理後の生信号

MIDI出力情報の様子

 

参考文献

    1. Steve Ditlea、"The PC goes ready-to-wear"、IEEE SPECTRUM October 2000、pp.35-39

    2. 斎藤正男、「生体工学」、電子情報通信学会、1985、pp.33-57

    3. 星宮望、「生体情報計測」、森北出版、1997、pp.40-66

    4. 細田嵯一監修、「生体時系列データ解析の新展開」、北海道大学図書刊行会、1996、pp.273-297

    5. 上羽康夫、「手 その機能と解剖」、金芳堂、1970、pp.169-190

    6. A.シュフラー・S.シュミット、「からだの構造と機能」、西村書店、1998、pp.113-117

    7. 岩瀬善彦・森本武利、「やさしい生理学」、南江堂、1969、pp.244-259

    8. 生体情報の可視化技術編集委員会、「生体情報の可視化技術」、コロナ社、1997、pp.185-210

    9. 日本生理人類学会計測研究部会、「人間科学計測ハンドブック」、技報堂出版、1996、pp.252-262

    10. 藤原義久・前川聡、「独立成分分析による筋電データからの各指運動の分離」、信学技報MBE99-7、電子情報通信学会、1999、pp.41-46

    11. 中村尚五、「ビギナーズディジタルフィルタ」、東京電機大出版局、1989、pp.154-173

    12. 池田謙一他訳、「生体工学」、コロナ社、1974、pp.46-62

    13. 戸川達男、「生体計測とセンサ」、コロナ社、1986、pp.260-269

    14. 松村道一、「ニューロサイエンス入門」、サイエンス社、1995、pp.126-130

    15. 木村雄治、「体を測る」、コロナ社、1995、pp.61-63

    16. 川上雅之・岩崎英人編著、「ヒューマンサイエンス」、不昧堂出版、1998、pp.35-49

メイキング風景(^_^;)