「なでなで」センサ(^_^)

2002年10月 長嶋洋一



開発風景

インターカレッジ2002に参加する学生のインスタレーション作品のセンサに 関連して、「テルミンみたいなセンサ」を作ろうと思っていました。 そして、 VPP の仲間の照岡さんから紹介された テルミンの回路図ページ から、もっとも簡単なものを実験していて、そこからちょっと面白いセンサが できました。構想から開発まで約2日でした。


全景

テルミンとしては、検出できる距離が数センチ以内(^_^;)、ということで あまり性能はよくないのですが、アンテナないし検出電極に人体が接触した あとで、さらにその接触の様子を「ちらっと触れる」「いじいじする」「なでなで する」「べったり触れる」などと変化させると、見事にこれを検出できる ということで、4チャンネル搭載した小型センサとしてみました。


アップ

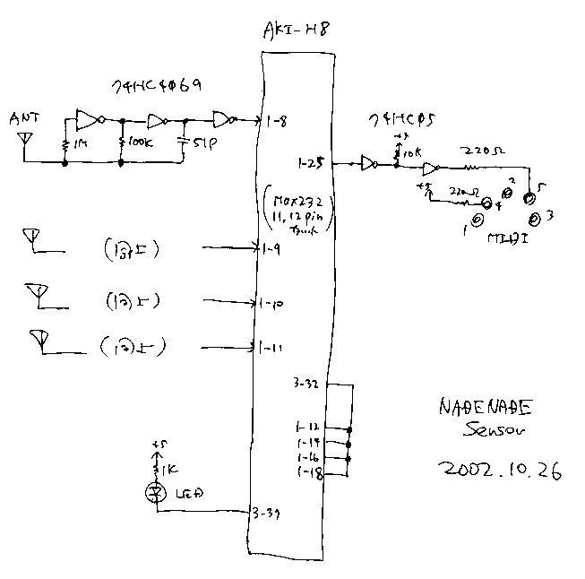
マイコンはいつものように AKI-H8 ですが、今回はそのA/D入力を使わないところがポイントです。CMOSの74HC4069の インバータによる単純なCR発振回路で、そのCRの部分に人体が触れればエネルギーが 吸収されて発振周波数が下がる、という単純な変化をそのままカウントしています。 その元になったのは この ページにあった、 この 回路図です。ちなみにこの回路図には2箇所の間違いがあります。(^_^;)


使い方

この 回路は、4046のPLLだVCOだ、とそれなりに面白かったのですが、AKI-H8に入れる テルミンとしてはちょっと面白くなかったので、上半分の4069の部分だけそのまま使って、 その周波数をじかにAKI-H8でカウントする、というものにしました。ビートのサウンドで なく「テルミン的な変化量をMIDI化する」ということであれば、それだけでも十分に 周波数変化があったからです。


どアップ

いつものように回路図もなく製作したのですが、忘れないうちに記録として回路図を 描きました。 これ です。アンテナとありますが、造形の表面に貼付けた金属箔でも、金属造形そのもの でも、電線をただ延ばしただけでも十分に検出できます。CRのつながった 部分のハンダ付けしたところに触れるだけでも十分です。(^_^)


4069と05

AKI-H8のソースプログラムは これ です。AKI-H8にロードするモトローラ形式のオブジェクトは これ です。 仕様としては、4系列のそれぞれの発振周波数(およそ40KHz)をそれぞれ 100msecごとにカウントしています。つまり、データとしてはだいたい 4000カウントぐらいになり、これが人体の接触の密度(ナデナデ度(^_^;)) によって、2500ぐらいまで綺麗に低下します。そのデータをMIDIの1-4 チャンネルのベンドデータとして送出しています。


基板裏面

金属アンテナに触れずに手を近付けるだけでは、数センチまでは何も変化 なく、その代わりにテルミンと違って距離ゼロの付近で急激にデータが 変わらず、近接からナデナデになめらかに移行します。 受けたデータを表示しているMaxの画面例が これ です。そのMaxパッチ(テキスト形式)が これ です。xbendinはそのままでなく、midiinを受けるとデータを出す というのを、これで初めて知りました。(^_^;)


AKI-H8開発Mac

さて、このセンサでどのようなインスタレーションが出来るか、あとは東堂のぞみさんの 作家としての勝負です。2002年12月21-22日に、くらしき作陽大学でご覧下さい。 そして、このセンサについては回路図からAKI-H8ソースまで、全ての情報を いつものように公開しています。隠しているものは何もありません。どうぞ皆さん、 自作して面白い作品に仕立て上げて下さい。(^_^)


MIDIテストMax