センサとマイクロエレクトロニクスの概要

1999年3月 長嶋洋一


  1. 「電気」の概念と用語
  2. 電子回路、と言うと難しいように感じてしまいますが、その基本は

    のように、中学校の理科で誰もが体験してきたことです。 ここではまず、エネルギー源となる電池があります。 電気的にはこのエネルギー源を「電源」と呼びますが、この電源がなければ どんな電子回路も動作できない重要な要素です。 たとえば停電しても電話ができるのは、電話線から信号だけでなく、 電話機本体のための電源が供給されているからなのです。

    電源には図のようにプラスとマイナスの極性があり、豆電球を経由して、 電源のプラスから一周してマイナスまで戻ってくる「ループ」の構造が必ず 必要です。 これが「回路」ということで、ここに流れている、と考えるのが「電流」 というわけです。 実際には電流というのは仮想的な概念であって、その実体はマイナスの電気を 帯びた「電子」が、ちょうど電流の向きとは逆方向に流れるということがあと で判明しました。

    この図で豆電球に相当するものは、回路の用語では(負荷)抵抗と呼びます。 これは、エネルギー源である電源から電流の形で供給された電気的エネルギーを、 熱や運動などの別の物理的な形で消費する、という意味になります。 日常生活で「電気機器が行う仕事」というのは、結局のところ、この「抵抗」に 相当する部分によって、電源から供給されたエネルギーを変換して実現している、 ということになります。 電気ストーブや冷蔵庫は熱エネルギーに、テレビは電子線を操作して光エネルギー に、ステレオなら音エネルギーに、携帯電話なら通信のための電波のエ ネルギーに変換されるわけです。

    上図を、電子回路らしい記号で書き直したのが、

    ということになります。 中身はまったく同等ですが、ここでは電源の「電圧」としてE(ボルト)、 電流としてI(アンペア)、抵抗としてR(オーム)という、それぞれを簡単な数式 として扱うための標準的な記号と、単位(いずれもこの分野で発見した科学者の 名前に由来します)を定義しています。 この回路の原理としてよく「たとえ話」に出てくるものに、電源をダムに見立てて 電圧をその水圧として、電流は水流の強さ、抵抗はダムの発電機による水流への 抵抗、という説明があります。 これは電圧がダムの水の位置エネルギーに相当して、発電機の負荷抵抗によって 外部へのエネルギーに変換されると、水としては位置エネルギーを失って戻 ってくる、という視点からも確認できます。

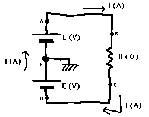
    上図ではこれらの3要素とともに、電源のマイナス端子の 部分に、「GND」(グランド)の記号を記してあります。これ は、次に登場するオームの法則など、回路のいろいろな場 所の電圧や電流を考える場合の基準点、という意味があり ます。回路の動作としてはループ状の部分を流れる電流が 主役ですから、各地点の電圧を表現するための基準はどこ にとっても構いません。たとえば

    の場合、二つの電源 の間にGNDを設定しているために、回路の中には「マイナ ス」も登場します。この図の場合、回路のどこでも流れて いる電流はIアンペアで共通で、回路の各部分の電圧をGND を基準にして、A点とB点はプラスEボルト、C点とD点はマ イナスEボルト、E点はGNDなのでゼロボルト、などと扱う ことになります。これをその地点の「電位」といいます。

  3. 「素子」:いろいろな登場人物
  4. ここまでを整理すると、電子回路とは「電流の流れるルー プ」によって成立する、ということになります。そしてこ のループの構成要素としては「電源」「抵抗」を紹介しま した。 また回路図では、線で結ん だあらゆる地点の電圧が同じである、という事が前提にな ります。たとえば上図 であれば、A点からB点までを結んで いる電線はどんなに長く描いても関係なく、いわば「ゼロ 抵抗」ということです。また、回路図の中に複数のGND記号 があった場合、それらも理想的なゼロ抵抗で全て接続され ている、ということになります。

    ここでは他の登場人物として、次に紹介する各種の半導 体素子(能動素子と言います)を除く、「受動素子」につ いて整理しておきましょう。

    は基本的な受動素子や 基本的な回路要素を並べたもので、既に抵抗と直流電源に ついては触れています。また、いくつか新しい記号と単位 が登場してややこしくなってきますが、 我慢して下さい。今後、それほど種類が増えるも のでもありません。

    回路を構成する受動素子として抵抗と並ぶものはあと二つ だけです。その一つは「コンデンサ(静電容量)」という もので、抵抗値をよくR(Registance)の記号で表すのと同 じように、C(Capacitance)の記号で表します。単位は、 抵抗の「オーム」(Ω)に対して「ファラッド」(F)と なります。その実体は図のように、向き合った電極が離れ ている構造をしています。ということは、電流が流れてい ってくれませんから、一見するとまったく無意味に思える のですが、実はこれは直流の場合の話です。コンデンサは 直流回路では、いわば「無限大の抵抗」というものですが、 回路に交流の電流が流れる場合には、後述するような重要 な特性によって、いわば「交流回路の主役」となります。

    もう一つは「コイル(インダクタ)」というもので、図の ようにグルグル巻きの電線のような構造をしているもので す。記号ではL(InductanceなのでIとしたかったが、電流 がIなのでLとした)、単位は「ヘンリー」(H)です。こ れも図から考えると、巻いていても結局は電線であれば、 抵抗ゼロで何も関係ないように思われます。事実、理想的 な直流回路ではその通りなのですが、これが交流回路にな ると、重要な役割を果たすのです。 なお、理科の実験で使われる「電磁石」とは、このコイル に鉄心を入れて磁力を強化したものです。つまり、コイル とは「電気的エネルギーと磁気的エネルギーの変換器」と いう側面もあることに注意しておきましょう。

    その下の「スイッチ」は、見た通りのものでそれほど重要 なものではありません。直流回路では、ONとなってゼロ抵 抗で電流を流す電線となり、OFFなら無限大の抵抗として 回路のループを切り離してしまう、というだけのことです。 また、 電池の記号で直流電源を表すのに対して、交流電源(周期 的に電流の向きや大きさが変化し続ける電源)の記号もあ わせて紹介しました。具体的な内容については、このあと で詳しく検討します。

  5. 「オームの法則」:奥が深い基本中の基本法則
  6. さて、もっとも簡単な電子回路の構成要素といくつかの記 号を紹介したところで、もう最初の「公式」の登場となり ます。これは中学校の理科で最初に登場する電気の基本法 則「オームの法則」

    ですが、複雑な 電子回路においても、あらゆるところでオームの法則が出 現している、という事はあまり意識されていないようです。

    オームの法則は、いろいろな角度から眺めてみることがで きる、非常に重要な基本法則なのです。たとえば、この式 は自然界でもっとも重要な「線型性」の表現として、

     「回路を流れる電流は、電源の電圧に比例する」---(1)

    という定義から来ています。つまり、「抵抗Rの逆数」を この比例関係の「比例定数」として、

     「回路の抵抗は、その両端の電圧に比例し、流れる 電流に反比例する」---(2)

    と定義していることになります。すると、この単純な式を 色々に眺めることで、

     「ある抵抗の両端の電圧は、そこを流れる電流に比例 する」---(3)

     「電流が共通の回路中の抵抗の両端の電圧は、その 抵抗値に比例する」---(4)

    などという性質も出てきます。さらに、

     「同じ電圧の与えられた回路を流れる電流は、その 回路中の抵抗値に反比例する」---(5)

    ということも、IとEとRの記号を変換するだけで導くこ とができます。そして、より複雑な回路や次の「交流回路」 を考える時に重要になるのが、オームの法則の基本的な性 質として、

     「回路のどこをとっても必ず成立する」---(6)

     「どの瞬間であっても必ず成立する」---(7)

    ということが言える、という点です。(厳密に言えば、交 流で電圧と電流の「位相」が異なる場合には成立しないの ですが、ここでは簡単のために同位相として考えます)

    オームの法則を具体的に適用する事例として、「合成抵抗 の公式」は覚える必要がない、オームの法則でいつでも得 られる、という事を確認してみましょう。

    上図には4個の 抵抗が書かれていますが、これを さきほどの図 と比較して、「抵抗 の合成公式」をオームの法則で考えてみよう、というわけ です。

    さきほどの図に書かれたE、R、Iと、 この上図とは全て同じものと 考えてみましょう。すると、抵抗が1本の場合には、電流I が流れることになります。ところで、 上図の中央の、並列 接続された2本の抵抗Rの部分にそれぞれオームの法則を 適用すると、左右それぞれのルートに電流Iが流れている ことになります。そこで、この「並列接続された等しい2本 の抵抗」を「合成された1本の抵抗」と考えると、同じ電圧 で2倍の電流を流すことから、抵抗値は半分である、という ことになります。また、 上図 の右側の、直列接続された2 本の抵抗Rの部分にそれぞれオームの法則を適用すると、 流れる電流はともに等しいのでこれをI'とすると、上下そ れぞれの抵抗の両端の電圧は「I'×R」で、この和がEに なることから、I'はIの半分であることが導かれます。つ まり、半分の電流が流れているということは、「直列接続 された等しい2本の抵抗」はそれぞれの抵抗値の2倍である、 ということになります。

    このように、回路図のどこにでもオームの法則を利用でき る事を知っておくのは重要なことなのです。たとえば

    の中央の2本の抵抗の部分は、電源の電圧Eを抵抗R1と抵抗 R2とで「分圧」している、という回路です。このそれぞれ の抵抗のところにオームの法則を適用してみると、V1の地 点の電位(GNDとの間の電圧)は、電源の電圧Eをこの2本 の抵抗値に比例した割合で分割していることが簡単に導け ます。これを利用したのがこの図の右側のボリューム(可 変抵抗器、記号はVR)で、V2の地点の電位は、電源電圧 EからGNDのゼロボルトまで、連続的に変化させることが できるのです。ステレオのボリュームで音量を変化させて いるのは交流の信号ですが、交流でもオームの法則は成立 しますから、音量が簡単に制御できるわけです。

  7. 直流と交流
  8. さて、ここで「電源」の種類を整理しておくと、

    のように、「直流電源」(DC)と「交流電源」(AC)とがあります。 ACでは時間とともに電圧の大きさも極性も変化しています から、ここに抵抗が接続されていれば、瞬間ごとにオーム の法則を適用すると、電流も同様に変化していることが判 ります。ただし、コンデンサとコイルでは、事態はより複 雑になります(後述)。

    ところで、実際に電子回路で電源として使われるのは全て 直流で、交流はコンセントから供給される形態、というの が一般的です。この理由は、電子回路というのは本質的に 「変化しない安定な直流の電源において動作する」ように 設計されているものだからです。それでは電力会社から直 流でコンセントに来ればいいのに、と思いますが、交流に は「トランスという部品によって、高いエネルギー効率で 任意の電圧に変換できる」という特性があるために、この 部分はどうしても交流が必要になります。つまり、発電所 から超高圧の電圧で交流送電し、変電所、電柱の上の変圧 器(トランス)を経て家庭の100Vコンセントにエネルギー を供給する、ということは、直流のままでは無理なのです。

    また、回路の中のいろいろな場所の電圧というのは、もち ろん理想的な直流ということではありません。

    の上図ように、変動成分(交流成分とも呼びます)を持っていて 極性としては変わらない「脈流」が代表的なものであり、 さらに電子回路の主役となるディジタル回路では、下図の ように、GNDレベルと一定電圧レベルとを瞬間的に行き来す るような電圧が、回路のどこでもほとんど見られます。こ のようなディジタル信号というのは、なめらかな交流信号 よりも急激な変化の連続(それも、たいていの場合にはと ても高速)であるために、そのまま各種の「ノイズ発生源」 ともなりうるものだ、ということを頭に置いておきましょう。

  9. 電力とエネルギーの考え方
  10. さて、基本的な回路要素(受動素子)とオームの法則があ れば、あとは「電力」と「エネル ギー」を定義しておくことで、必要な材料は出揃うことに なります。

    はいつもの基本回路で、抵抗Rの両端に Eの電圧がかかり、この時にIの電流が流れている、とい う直流的な定常状態にあるものとします。ここで「電力」 は電圧と電流の積、と定義され、さらにここにこの電力が 消費され続けた時間tを掛けたものがエネルギー、と定義 されます。つまり「電力」とは「単位時間(1秒)あたりのエ ネルギー」というような量なのです。

  11. 受動素子の特性と加算法則
  12. さて、それではいよいよ、交流回路(交流成分を含んだ直 流電源によるディジタル回路も含まれます)の主役となる 二つの受動素子についても、基本公式を整理しておきます。 ここでは

    のコンデンサと、

    のコイルについて ペアで整理すると、とても簡単になります。

    図のように、交流電源としては、一般にサイン関数で 表現される「正弦波」が使われます。周期的に変化する交 流波形であれば、全て複数の正弦波の合成によって表現で きる、という事実(フーリエ分解/フーリエ合成)があり ますから、ここではこの式として一般性は失いません。こ こで「ω」という量は、毎秒あたりの「繰り返し回数」で ある周波数「f」(単位はヘルツ:Hz)に「2π」とい う定数を掛け算した量です。また、周波数の逆数は「1周期 に要する時間」という量で、「周期」(単位は秒)になり ます。

    すると、静電容量がC(F)であるコンデンサが交流回路 で等価的に抵抗として働く抵抗値である「容量リアクタン ス」(記号はXC、単位はΩ)は、図のように「1/ωC」 と簡単な式で表現されます。言い換えれば、まったく直流 を通さないコンデンサも、交流回路ではこの式に従った一 種の抵抗、として働くことになります。直流の周波数はい わばゼロHz(変化しない)ですから、確かにこの式では抵 抗成分が無限大になります。また、同じCの値に対して、

     「XCは周波数が高いほど交流的抵抗成分が小さくなる」

    という点を確認しておきましょう。

    同様に、 コイルの図 では、インダクタンスL(H)であるコイ ルが交流回路で等価的に抵抗として働く抵抗値である「誘 導リアクタンス」(記号はXL、単位はΩ)は、図のように 「ωL」と簡単な式で表現されます。言い換えれば、直流 では理想的には抵抗ゼロであるコイルも、交流回路ではこ の式に従った一種の抵抗、として働くことになります。直 流の周波数はいわばゼロHz(変化しない)ですから、確か にこの式は直流でも成立しています。同じLの値に対して、

     「XLは周波数が高いほど交流的抵抗成分が大きくなる」

    という点を確認しておきましょう。これは、コンデンサと コイルが、まったく逆の性質を持っていることを意味して います。

    電磁気学の教科書では、ここで「電荷」という量を登場さ せて、何故、電気的に切れている筈のコンデンサが交流を 「流す」のか、という説明があるところですが、この点は 省略します。また、何故、抵抗ゼロの電線を巻い ただけのコイルが交流では抵抗となるのか、については、 中学の理科で学んだ「電磁誘導」から説明できるのですが、 これも省略します。興味のある方は 調べてみるといいでしょう。

    さて、抵抗の直列接続/並列接続の公式と同じように、コ ンデンサにもこういう公式があります。ここでは「電荷」 という概念を省略しているので、結果だけ紹介すると、

    のようになっています。これは「抵抗とは逆」という ことですから、覚えるのは簡単でしょう。また、「コイル の合成」というのは、実はこれまた省略している「自己誘 導」「相互誘導」という概念が必要になるので、ここでは 省略しておくことにします。実際の場面では、 コイルよりもコンデンサの方が圧倒的に登場する(コイル の合成を計算することはほとんど無い)ので、実用上はあ まり問題はありません。

  13. インピーダンス
  14. ここまでに登場した、抵抗、コンデンサ、コイルという主 要な受動素子が、電子回路においては単独でなく組み合わ された形で、さらに交流特性をもって動作する、というの が実際的な回路技術の基本となります。そこで最後に登場 する基本用語が「インピーダンス」というものです。これ は、既に紹介した単独の抵抗やコンデンサやコイルの交流 的な抵抗成分でなく、これらが組み合わされた場合の合成 抵抗のようなものです。交流回路においては、現実には回 路中の電圧と電流は時間的に同じように変化するわけでは ないために(これを「位相がずれている」と言う)、単純 にそれぞれの抵抗成分を加算することはできないのです。

    また、現実の電子回路では、これまでゼロ抵抗であるとし てきた電線やプリント基板の銅箔面やGNDも、高い周波数で は等価的に抵抗成分やコイル的な成分が無視できなくなっ てきます。そこで、理想的には抵抗ゼロ、コンデンサやコ イル単体と考えてきたところに、実効的な抵抗成分を合成 したインピーダンスを考える必要があるのです。いったん インピーダンスとしてまとめてしまえば、あとは既に述べ たように、このインピーダンスを「抵抗」と見なして、 エネルギーなどを検討できるわけですから、このイ ンピーダンスの公式は、最後のステップというわけです。

    が、代表的なインピーダンスの公式です。これを複 素数やベクトルで数学的に導出することは、興味のある人へ の課題としておきますが、結果だけメモしておけば、 とりあえず設計の場には十分なのです。なお、 インピーダンスの記号は一般にZで、単位は抵抗と同じΩ です。抵抗Rの逆数は「電流の流しやすさ」ということに なるのですが、同様に考えたインピーダンスの逆数のこと を「コンダクタンス」と言い、単位はなんとΩ記号を上下 にひっくり返して「モー」(ohmの逆なのでmho)と呼びま す。(^_^;)

  15. 微分回路と積分回路からフィルタへ
  16. さて、オームの法則から合成インピーダンスまで基礎的な 材料を揃えてきましたが、実はここまでの準備で、既に 大きな領域である「フィルタ」 の本質については、十分にカバーしています。 まず、最初に

    のような回路を考えます。ここでは入 力として正弦波の交流でなく、一般的なディジタル回路の 信号である、電源電圧(+5Vが多い)とGNDとを交互に行き 来する、図のような「矩形波」(上下の時間がそれぞれ 50%である波形をこう呼ぶ)であるとしましょう。そして、 入力の矩形波が図のブラックボックスの動作によってどう 変化するか、という視点で考えてみましょう。ところで、 このブラックボックスに使う部品は、まずは簡単のために 抵抗とコンデンサの二つだけ、ということにします。これ は、コンデンサとコイルとは互いに反対の性質なので、必 要な交流的動作は一方だけでも実現できるためです。また、 コンデンサは小型の電子機器に搭載できるような小型化が 進んでいますが、コイルはサイズが大きくなるため です。 さて、

    は、筆者が実際に電子回路を 「ブレッドボード」という実験器具を使って組み立てた回 路で、オシロスコープという計測装置によって記録した、 「生のデータ」です。細かい変動(一種のノイズ)が乗っ ていることからも判るように、現実の電子回路の信号とは、 このように理想的な信号とは大きく異なっています。図の 見方ですが、二つの信号波形のうち上段は全て共通で、こ れは図1-15の左側の入力信号です。電圧のメモリはグラフ の左側になりますから、ほぼ「GND」と「+5V」を行き来し ている矩形波信号であることが判ります。また下段は、そ れぞれの回路の出力信号であり、電圧のメモリは右側で読 みます。図1-19のように、入力はプラスの範囲の電圧でも 出力にマイナス電圧が現れることもあります。

    さて、これら4種類のオシロスコープ波形から、それぞれの 電子回路をパッと当てられる人は、もうプロの領域です。 正解は

    のようになります。図の(A)は入力から10KΩの 抵抗を経てそのまま出力に出ているだけ、というものです。 ここで入力と出力については、信号点だけを記号で明示し て、それぞれの電圧の基準点であるGNDの部分は省略して描 かない、という一般的ルールにも注意しておきましょう。 抵抗を経由しているのに入力と出力の電圧がまったく同じ なのは不思議だ、という人は、点線で描いてある、GNDとの 間の無限大の抵抗と10Kオームとで入力を「分圧」している、 と考えてみれば、納得がいくと思います。

    図の(B)は、入力から出力に10KΩの抵抗があり、さらに 出力とGNDの間にも10KΩの抵抗がある、というものです。 これは入力の電圧が半分に分圧されている回路、という事 ができますが、確かに図1-17の電圧をよく見てみると、そ うなっています。ここまでは抵抗だけなので、まったく直 流回路と同じ考え方でいけます。

    図の(C)は、入力から出力に10KΩの抵抗があり、さらに 出力とGNDの間には0.1μFのコンデンサを入れた回路です。 これは入力の電圧が分圧されているうち、一方がコンデン サに置き換えられたもの、という見方ができます。ところ で既に述べたように、コンデンサとは交流的な成分に対し ては通過させてしまう、という性質があります。もう少し 細かく言えば、「高い周波数成分ほど通しやすい」「急激 な変化分ほど通しやすい」ということです。

    図1-18 をこの 性質を頭に置いて眺めてみると、回路の入力電圧がGNDから +5Vに、あるいは逆に+5VからGNDに急激に変化した点では、 出力はなめらかに変化しながら目標地点になめらかに漸近 していることが判ります。これは、急激な変化成分ほどコ ンデンサによってGNDに流れて(捨てられて)、出力信号の成 分としてはカットされている、という意味になります。図 1-20(C)のような位置のコンデンサは、いわば「変動成分を 吸収する緩衝装置(バッファ)」「交流成分をGNDにバイパス させる」というような機能があります。前者を強調して、 この回路を「平滑回路」と呼びますし、後者の機能を称し た「パスコン(バイパスコンデンサ)」という部品名がある くらいです。

    図1-20 の(D)はこれとはちょうど反対に、入力から出力に 0.1μFのコンデンサがあり、さらに出力とGNDの間には 10KΩの抵抗を入れた回路です。この場合、入力の電圧が分 圧されている一方がコンデンサに置き換えられたもの、と 見てみると、周波数の高い、つまり急激な変動成分ほど出 力に現れることになり、極端には「定常的」な成分は直流 ですから、コンデンサによってカットされて出力がゼロに なっていく事を意味します。また、入力信号が上昇する時 と下降する時とでは、抵抗を流れる電流の向きが逆方向に なるために、出力にはGND電位をはさんで、プラスとマイナ スの両方の電圧(交流)が生じる、ということになります。

    この定性的な視点から 図1-19 を眺めてみると、入力信号の 電圧がGNDから+5Vに瞬間的に上昇する、という急激な変化 点(時間ゼロなら理論的には無限大の周波数)では、最大値 として電源電圧と同じプラスの電圧となりますが、その次 の瞬間には入力は+5Vで定常的となるので、出力電圧はゼロ に向かって漸近していきます。入力が+5VからGNDに変化す る時にはこの逆となり、出力にはマイナス方向に反転した ような信号が現れて、これもゼロに向かって漸近していき ます。この回路はいわば、入力の変化点だけに反応する出 力が得られるもので、「エッジ検出回路」とも言います。

    さて、ここで重要な回路が2つ、登場してきました。これら は多くの場面で非常に重要な意味をもつので、さ らに検討しておくことにしましょう。

    図1-20 の(C)の回路は「積分回路」とも呼ばれていますが、こ れは「電位差に比例した電流が流れる」という条件のもと に、入力信号を時間軸方向に積分すると、まさに出力信号 が得られることによります。ここでは詳しい数学的な扱い については省略しますが、コンデンサの「電荷」の概念を 定義すると、簡単な微分方程式の例題となります。そして 重要なのは、

    のように、抵抗の代わりにコイルを用 いることで、信号の周波数に対する特性はより強化される ために、図のような入出力特性を持った「低域通過型」と 呼ばれるフィルタ(ローパスフィルタ:LPF)を構成でき るという点です。これは、たとえば信号線に必要な信号以 外の高域の不要信号が乗っている場合、LPFによってこの成 分だけを大幅に減衰させることができる、という作用があ ることになります。

    また同様に 図1-20 の(D)の回路は「微分回路」と呼ばれていま す。これも、時間的に遅延を持った条件の元で入力信号を 時間で微分した出力が得られるためです。これを

    の ように抵抗をコイルで置換すると、下図のように、今度は 「高域通過型」のフィルタ(ハイパスフィルタ:HPF)と なります。これは、たとえば信号線に必要な信号以外の低 域の不要信号が乗っている場合、LPFによってこの成分だけ を大幅に減衰させることができる、という作用があること になります。極端な例としては、信号として交流を扱って いる回路に不要な直流電流が乗っている場合、この回路の コンデンサだけで(コイルや抵抗を取り去る)、直流はカッ トされて問題を解決できることになります。ただし、必要 な交流信号の周波数帯域が広い場合には、小さなコンデン サは低域でのインピーダンスが大きくて減衰してしまいま すから、十分に大きな静電容量のコンデンサを必要としま す。

  17. 「能動素子」:電子回路の基本要素
  18. 既に紹介した「受動素子」とは、回路として与えられた役 割が「線型の受動的なもの」となるような素子の総称でし た。線型というのは、2倍の電圧がかかれば2倍の電流が流 れるとか、等価的な抵抗成分が周波数に比例するとか、の 「比例」を基本にして対応する、というほどの意味です。 それに対して、ここで登場する「能動素子」の最大の特徴 は、おもにシリコンなどの金属からなる半導体の最大の特 性である「非線型性」を最大限に利用している、というと ころにあります。電流や電圧の特性をグラフにした時に、 単純な比例のグラフでなく、あるところから突然に向きが 変わったり、あるところでピタリと上昇が止まったり、と いう「不自然な」特性が、あらゆる半導体の特徴なのです。

    そして何より、「増幅」作用という、受動素子には絶対に 真似できない特性があります。増幅というのはその名の通 り、入力の信号幅よりも大きな信号幅の出力を得る、とい うものです。日本語となっている「アンプ」とは、この増 幅(Amplify)から来ているものです。そして、増幅作用を持 つ能動素子により、発振、スイッチング、演算、通信、セ ンシング、制御、などのあらゆるエレクトロニクス動作が 可能となります。能動素子こそ、電子回路の主役です。

    ここで取り上げるのは、以下の種類のものです。これだけ の種類を大体でも理解していれば、エレクトロニクス技術 のほとんどの領域で困ることはないでしょう。

     ・交流から直流を得るために必要な「ダイオード」

     ・増幅などあらゆる動作の基本要素の「トランジスタ」

     ・多数のトランジスタを集積したICの「OPアンプ」

     ・多種多様なファミリからなる「ディジタルIC」

     ・能動素子だけでなく一部受動素子もある「光素子」

     ・自然界の物理量を電気的情報に変換する「センサ」

     ・ハードウェアとソフトウェアの統合した「マイコン」

    また、能動素子そのものではありませんが、関連してとて も重要となる「電源と電池」についても検討します。

  19. ダイオード回路
  20. いわゆる「半導体素子」というのは、かつてはゲルマニウ ム、現在ではシリコンを用いた半導体の特殊な性質を利用 しています。

    は、そのもっとも基本となるダイオード の動作を示したもので、ダイオードDは、記号の中の三角 の頂点の向きにのみ電流を流し、逆方向ではちょうどスイ ッチを切ったように、非常に大きな抵抗となって電流を流 さない、という機能があります。これは、このような「極 性」のなかった受動素子との大きな違いで、この性質から 色々な電子回路が実現できるのです。本書では、このよう な半導体の性質の原理である「p型半導体」「n型半導体」 「PN接合」というような話を省略して、こういう性質の素 子なのだ、ということで進めていくことにします。

    この「一方通行でのみ電流を流す」というダイオードの性 質を活用した電子回路の例としては、AMラジオで受信した 電波の信号から音声信号を得るための「検波回路」、そし てあらゆる電子機器の電源に必須の「整流回路」などの例 があります。実は名前は違いますが、検波回路も整流回路 も、本質的にまったく同じダイオードの性質を利用してい ます。

    のように、直流電源でなく交流電源がダイオードに与 えられた回路を考えてみると、実はこれは検波回路では周 波数が相当に高いという違いがあるだけで、この整流回路 と動作原理はまったく同じです。検波回路の場合には、図 の出力電圧を音声信号として利用しますし、電源の整流回 路の場合には、図の抵抗Rの部分が、電源を必要としてい る負荷回路(電子機器の本体の部分)となります。なお電 源回路では、このあとに「出力をより直流に近づける」た めの「平滑回路」が入りますが、実はこれは既に紹 介した積分回路(ローパスフィルタ)そのものです。

    ダイオードにはこのような一般的なもの、後述する発光ダ イオードの他に、逆電圧(電流が流れない向きにダイオー ドにかかっている電圧)の大きさに応じて、等価的なコン デンサ(直流電流を流さないのでコンデンサと見なせる) の静電容量の大きさを変化させることのできる「バリキャ ップ」(可変容量ダイオード)などというものもあります。 また、

    の「ツェナダイオード」(定電圧ダイオード) は電子回路において重要なもので、規格ごとに一定 の基準電圧があり、これを超える逆電圧については突然に ダイオードとしての整流作用を失ってONになってしまうた め、両端の電圧として得られる出力電圧が一定の電圧にな る、一種の定電圧電源として利用できます。実際の定電圧 電源回路では、ある程度以上の電流を取り出すためにトラ ンジスタと組み合わせるものの、基準となる定電圧発生部 分にはツェナダイオードが使われています。

  21. トランジスタ回路
  22. ダイオードが2種類の半導体(p型、n型)を接合させた構造 で2端子素子だったのに対して、エレクトロニクスの主役で あるトランジスタは3端子素子で、構造的には「PNPトラン ジスタ」と「NPNトランジスタ」の2種類があり、

    のように型式の付け方は、「高周波用」「低周波用」という組 み合わせから4種類に区分けされています。 トランジスタの型番を見て「2SD***だ からNPN型で、ここは低周波回路だな」などと判ることも 時には重要な知識となります。ただし、高周波タイプとい っても具体的な周波数の定義はなく、さらに「大は小を兼 ねる」というのか、高周波タイプのトランジスタで低周波 回路を組んでもまったく問題ないために、決めつけること はできないので注意しましょう。

    トランジスタ回路の全ての基本は、

    のような「増幅回 路」です。増幅というのは、「入力の変化よりも大きな出 力の変化(電圧や電力)を得る」というもので、電源のエ ネルギーを入力信号の小さな変化に対応させて変化させる 機能、と位置づけることができます。

    は、 さきの回路の入力電圧(左側の縦軸)と出力電圧(右側の縦軸)と を実際の回路により計測した例です。上段の入力電圧は、 0.15V程度の振幅であるのに対して、下段の出力振幅は1.2V 程度にまで増幅されていることがわかります。なお、この 図では入力電圧が細かく振動しているのに出力にあまり反 映されていませんが、これは入力電圧を計測していたオシ ロスコープの部分でノイズを拾っている(実際の信号には この成分はあまり乗っていない)、ということも判ります。 またこの回路では、入力信号と出力信号の極性が反対にな っている、つまり「反転増幅器」であることにも注意して おきましょう。

    さて、このようなトランジスタの基本的な増幅回路から始 まって、実際的な電子回路というのは非常に多くの種類が あります。たとえば

    の「発振回路」では、普通の増幅 回路の出力の一部を入力にフィードパックさせてやります。 その際、途中に特定の周波数帯域をもっともよく通すよう なフィルタ回路を入れておくと、出力のうちこの周波数の 成分が再び増幅されて出力に出る、という動作を繰り返す ことで、この周波数成分の信号を連続的に発生する、とい う回路が構成できるわけです。 また、

    の「変調回路」とは、入力に2種類の信号を与 えて1つの出力信号を発生する回路です。この例では、入力 Aとして高い周波数で一定振幅の信号と、入力Bとして別 の信号を与えた結果として、出力信号はAの周波数でBの 振幅変化を持つものとなります。これは、普通に聞いてい るAMラジオの信号そのものであり、振幅変調と呼ばれてい るものです。変調とは見方を変えれば、2種類の信号を1本 に多重化している、という働きであり、多くの電子回路で この応用回路を見ることができます。

    トランジスタの応用回路でアナログの世界からディジタル へと移行する上で重要なのが、「スイッチング回路」です。 たとえば、

    は、さきの増幅回路とも似ている増幅回路ですが、ベー ス端子のところの抵抗の入れ方(バイアスといいますが、 本書では深入りしません)によって、出力電圧はほぼ電源 電圧フルスケールとGNDとをスイングするようになります。

    はこの回路で実際に測定した信号で、入力電圧(左 側の縦軸)と出力電圧(右側の縦軸)とを比べてみると、 これも反転増幅器ですが、信号の形は大きく歪んでいます。 これがオーディオアンプであれば、原音とは似ても似つか ないヘンに音になりますが、ディジタル電子回路では、こ のように「飽和した回路」を使うのが一般的です。つまり、 入力のアナログ的な信号は、この回路によって「1」(+5V) か「0」(GND)という、ディジタルの明確な値になっている というわけです。この場合、上段の入力信号のような小さ なノイズは下段の出力信号では完全に無視されていること から判るように、ディジタル回路とは、基本的に小さなノ イズには強い、という性質を持っています。

    トランジスタの一種であるFET(電界効果トランジスタ)は、 トランジスタが電流増幅(原理的には入力電流の変化が出 力電流の変化となる)のに対して、電圧増幅(入力電圧で 出力電流を制御する)を行う素子として、多くの電子回路 で利用されています。FETには3端子と4端子、Pチャンネル とNチャンネル、MOS型と接合型、など非常に多くのタイプ があり、端子の名称も「ソース」「ドレイン」「ゲート」 などと変わりますが、ここでは紹介のみに止めます。

  23. OPアンプ回路
  24. エレクトロニクス回路技術はトランジスタの出現とともに 急速に発展したのですが、最近の電子回路では、単体のト ランジスタだけを使うことは少なくなり、アナログ回路で あればOPアンプ(演算増幅器、「オペアンプ」と呼ぶ)を 活用することが一般的になりました。OPアンプとは、回路 図上では

    のように単純な2入力のアンプであり、実際 には多数のトランジスタによる高性能な増幅回路をブラッ クボックスの単純な「部品」として提供しているものです。 図のように、8ピンのパッケージに2回路分のOPアンプ、あ るいは14ピンで4回路入っているタイプも多く使われていま す。OPアンプは増幅度がとても高い「理想アンプ」なので、 図のように2つの電源端子に対して、パッケージのすぐ近く に「パスコン」と呼ぶコンデンサを取り付けます。

    OPアンプには、多くの種類の応用回路があります。簡単に 基本回路とともに紹介しておくと、

    の反転増幅回路、

    の非反転増幅回路、加算回路や減算回路を実現できる

    の差動増幅回路、ゲインが1倍で入力インピーダン スが非常に大きいためにバッファによく使われる、

    の「ボルテージ・フォロワ」回路、

    の「電流−電圧変換回路」、

    の微分回路と積分回路、などがありま す。また、OPアンプのゲイン(増幅度)が非常に大きいこ とを利用して、入力電圧の差を無限大まで増幅することで 入力の大小に対して出力が正負の電源電圧のいずれかにな る、というコンパレータ(比較器)回路もよく使われます。

  25. ディジタルIC回路
  26. 主にアナログ信号を扱うOPアンプに対して、ディジタル信 号を扱うためにブラックボックス化されたICが、「TTL」と か「CMOS」というようなファミリとして数百種類以上も揃 っている、ディジタルICの一群です。ここでは、もっとも 基本的なディジタルICについて紹介して、具体的に入出力 の信号の様子を調べておくことにしましょう。

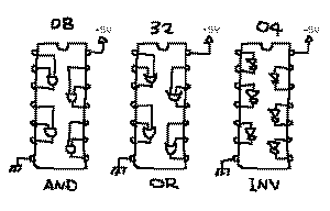
    ディジタルICのもっとも基本的な単位となるのは、

    のような「ゲート」と呼ばれる基本的な論理回路で す。実際のICでは、

    のように、14ピンのパッケージ に同じゲートが4つずつ入っているものが一般的です。この ようなディジタルICファミリのパッケージでは、電源ピン とGNDピンの場所が決まっていますので、知らない回路でも 電源とGNDラインを追いかけることは容易にできます。

    ディジタル回路では、基本的にはこれらのゲートを組み合 わせて任意のシステムとしていくのですが、よく用いられ る機能ブロックは、それぞれがICとして提供されているた めに、本当にゲートで回路を組むのはごく一部でいいよう になっています。このような機能ブロックICとしては、入 力ディジタル情報の組み合わせによって出力信号が選ばれ る「デコーダ」、入力データを2進数情報として加算する 「加算器」(アダー)、複数の入力から指定されたものを 選択して出力する「マルチプレクサ」などがあります。こ れらはいずれも、入力が与えられるとほぼ同時に出力が現 れる(厳密には回路の遅延がある)もので、「論理回路」 と分類されています。

    この論理回路に対して、もう一つの重要なディジタル回路 のグループが「順序回路」、あるいは「同期回路」と呼ば れる一群です。このもっとも基本的な要素は、

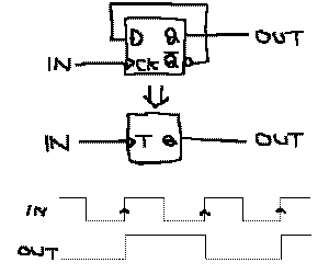
    のフリップフロップという回路です。かなり複雑に見えますが、 プリセットとリセットは主に初期設定のための補助端子と 見ると、入力はデータDとクロックCK、そして出力はQとい う単純な構造になります。そして、入力Dが出力Qに現れる のはクロックCKがLからHに変化する「立ち上がりエッジ」 と呼ばれる変化点であり、他の時にはこの内部状態が保持 されている、というところが論理回路と決定的に異なると ころです。つまり、フリップフロップとはもっともシンプ ルな記憶回路(メモリ)であり、CKが変化しなければデー タは絶対に変化しない、というものです。

    この順序回路の特性を、さらに大きな機能ブロックICであ る「カウンタ」によって検証してみましょう。

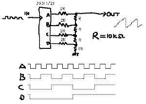
    は、 先のフリップフロップ(これをDフリップフロップとも 呼びます)の反転出力を入力Dに与えて、全体として「ク ロックCK端子を入力、出力端子Qを出力」として動作するブ ロックの回路で、この全体を図のように「Tフリップフロッ プ」とも言います。この動作を端子の信号の定義から追い かけてみると、図のように入力クロックの立ち上がりエッ ジごとに出力が反転することになります。これは、入力と 出力の周波数で言えば「半分の周波数に変換する」という ことであり、この回路は「分周回路」とも呼ばれます。

    の左側は、このTフリップフロップの出力を次段の入 力として次々に与えて4段構成としたブロックで、右側はこ の4段ブロックが1つのICパッケージにまるまる2個入った、 393というポピュラなディジタルICの内部構成図(回路図) です。ちっぽけなICの中に、何百ものトランジスタからな る回路が入っているのですが、このICを使う場合には、端 子として定義されるディジタルの状態だけを考えればいい、 まさにブラックボックスとなっています。

    はこの4段 のフリップフロップの部分の信号の動作を表したものです が、入力クロックに対してそれぞれの段の出力は「2のn乗 分の1」という関係の周波数となります。

    ディジタル回路技術としてこの他にどうしても必要となる 知識としては、

    の「スリーステート・バス」があり ます。ここまではディジタル回路の信号は「H(+5V)」と 「L(GND)」の2種類しか登場しませんでしたが、実はもう一 つ、「ハイ・インピーダンス状態(トライステート状態と かスリーステート状態などとも呼ぶ)」というものがあり、 実際的なマイクロコンピュータシステムなどには欠かせな いものなのです。3ステート出力(もともとH、L、とハイイ ンピーダンス状態の3種類から来ている)が可能なのは通常 のゲートとは異なる専用のゲートに限られ、図のように制 御入力によって通常のディジタル出力かハイインピーダン スかを選択し、通常状態であれば入力の信号がそのまま出 力される、というものです。

    この図だけを見ていても、3ステートゲートの機能について はピンと来にくいでしょう。これは、

    のように、複 数の3ステートゲートが信号を乗せる「バス」と呼ばれる信 号ラインとともに意味を持ってくるのです。たとえばマイ コン回路では、中心となるマイクロプロセッサ(CPU)のデー タ信号ラインはデータバスといって、ここにメモリや周辺 LSIが接続されています。それぞれのビットの信号線には CPUを含むそれぞれのLSIの3ステート出力ゲートが接続され ていますから、「同時に2つ以上のゲートが出力される」と いう状態(ゲートの素子破壊にもつながる)は絶対に起こ らない(排他的に出力が許可される)ように回路動作が設 計されています。

    さて、この3ステート状態を実際の回路で計測してみましょ う。実験回路としては

    のように、3ステートゲートの 入力として周期的なクロック信号を与えて、これを分周し た信号を出力制御端子(Gバー、と呼びます)に与えます。 すると下図のように、出力が許可されているLの期間は出力 信号としてH−Lと変化することが期待されます。一方、出 力が禁止されているHの期間については、このバスラインに 信号を乗せるゲートがここでは他にありませんから、「ハ イ・インピーダンスで浮いている」と呼ばれる状態になり ます。これを検証するために、出力信号ラインには、ずっ と筆者の指を当てておくことにします。+5Vの電圧ですから 別に感電の心配もありません。

    は、74HC393と74HC245というICで実際に 上の回路を組んで実験した測定データです。上段は3ステートゲー トの制御入力、下段は出力の3ステートバスの信号です。確 かに、出力イネーブルの期間にはきちんと+5VとGNDの電圧 が出力されていますが、出力がハイインピーダンスとなる 「不許可」の期間には、触れている筆者の身体に乗ってい る「ハム」というノイズ(AC電源が人体に誘導して乗る) によって、信号とは言えない状態になっているのがよく判 ります。なお、この図を見て「出力に現れるHとLが反対の 順序になっていておかしい」と気付いた人はスルドイです。 実は簡単のために省略していましたが、393というICのTフ リップフロップのCK入力には、信号反転のインバータが入 っているために、CK入力信号の立ち上がりエッジでなく、 逆の「立ち下がりエッジ」で状態が反転するので、この実 験のような出力になるのです。しかし一般には立ち上がり エッジがほとんどなので、前述の説明では混乱を避けるた めに省略していました。

    さて、ディジタルICの中でどうしても紹介しておかなけれ ばならないのが、アナログとディジタルの接点となる「D/A 変換回路」や「A/D変換回路」を1チップに専用化したICの 一群です。たとえば、連続して変化するアナログ電圧をデ ィジタルデータとするには、

    のようにデータの大き さの軸について離散化する「量子化」と、時間軸の方向に 離散化する「サンプリング」の二つの側面があります。

    実際にディジタルからアナログに変換する回路の動作の実 例として、

    のような回路について調べてみましょう。 これは74HC393という4ビットのカウンタの出力が、2進数と してゼロから15まで一つずつ増えていく「インクリメント 動作」をすることを利用して、その出力を「ラダー型」と いう図のような抵抗の接続によってD/A変換して「のこぎり 波」の出力を発生する、という回路です。実際にこの回路 を組んでオシロスコープで計測したのが

    で、ここで は上段は入力のうちもっとも周波数の高いAの部分、下段 がD/A変換の出力となっています。実際に、1チップのD/Aコ ンバータの内部に、ほぼこのままの回路が入っているICも 実際にあるのです。

  27. 光素子回路
  28. 能動素子の一種で、「光」というキーワードでグループ化 される一群を「光素子」と呼びます。例えば発光ダイオー ド(LED)、フォトダイオード、フォトトランジスタ、フォト カプラなどがここに入りますが、場合によっては液晶(LCD) やエレクトロルミネンス(EL)、プラズマディスプレイなど も含める場合もあるようです。

    エレクトロニクスの世界では「光」には大きく二つの重要 な性質があります。一つは誰にも明らかな「視覚的媒体」 (ディスプレイ)としての利用で、暗闇にたった一つの小 さな赤いLEDが点滅するだけで、人間は注意力を喚起される 強力なメッセージ能力を持っています。これには

    のように、LEDとたった1個の「電流制限抵抗」があれば十分 です。人間の五感の中では視覚の情報量が非常に多いので、 光素子はこれからも重要な働きをしていくことでしょう。

    そしてもう一つ、工場などノイズ環境の劣悪な場所を中心 として、気付かれないところで活躍する「光」の性質とは、 「電磁気的なノイズの影響が無い」というものです。

    はこの様子を示したもので、必要な信号をケーブル を介して伝えなければならない経路上では、いろいろなノ イズ源からの電磁気的な影響が加わります。これに対して、

    のように機器間に光ファイバケーブルを使った場合 には、電磁気的なノイズは相互作用の起こしようがないた めに、まったくノイズの影響はありません。さらに光によ って両者のシステムのGNDが電気的に分離できるために、GND 電位の変動、というノイズに対しても強力になります。

    光ファイバを用いるほどの本格的対応でなくても、

    の「フォトカプラ」という光素子を用いると電気的に回路 を分離できるために、耐ノイズを大きく向上することがで きます。この例は、世界中のメーカの電子楽器を相互に接 続できるMIDIという国際標準規格のインターフェース回路 で、フォトカプラによって送信側と受信側の電源もGNDも 完全に分離しているために、一方の機器の漏電や故障が他 方に及ばないようになっています。また製造機器や制御機 器などでは、大電力のリレーをON/OFFさせる部分にフォト カプラを用いて電気的に分離し、リレーの接点から発生す るノイズが電子回路に影響を与えるのを抑えるようになっ ているのが一般的です。

  29. センサ回路
  30. エレクトロニクスのシステムが現実の世界とやりとりする ための接点としては、色々な「センサ」が非常に重要にな ります。

    のように、電子機器は基本的に外界の物理 量をセンサによって電気的信号に変換し、さらにこの微弱 信号を増幅したり変換した電気信号をいくつものセンサか ら集めて処理していきます。

    「センサ回路」というのは、心臓部のセンサそのものと、 アナログ信号処理を行う電子回路とから構成されますが、 物理量を電気信号に変換するセンサ自体は単純なものがほ とんどです。たとえば「曲げセンサ」というのは、荷重で 抵抗値が変化する「歪みゲージ」という抵抗素子であり、 「加速度センサ」についても、その実体は加速度によって 変形するバネの変形量をこのゲージで検出しています。湿 度センサやジャイロ(角速度)センサも、結局のところは抵 抗値としてセンサ出力が得られます。そして、この信号を 伝達可能な大きさに増幅するアナログ回 路というのは、既に紹介したOPアンプによる色々な信号変 換回路です。

  31. マイコン回路
  32. さて、エレクトロニクス技術が半導体による能動素子とし てトランジスタからIC、LSIへと集積度を上げて複雑化して いく流れは、この「ハードウェア」という面とともに、新 しく「ソフトウェア」という技術を加えることで、現代の 飛躍的な発展につながりました。ハードウェアとともにソ フトウェアを要素に持つこの中核こそ、CPUとかMPUという マイクロプロセッサ、いわゆる「マイコン」なのです。

    スーパーコンピュータからパソコンまで、あらゆるコンピ ュータは基本的に全て、このCPUが中心になっていますが、 外見としてコンピュータが見えないものも、現代の電子機 器のほとんどが実はマイコンを搭載しています。たとえば 自動車には数十個のマイコンがあって、あるCPUはエンジン 制御、あるCPUはブレーキ制御、と多数で共同してシステム を構成しています。また、ビデオやエアコンの本体の制御 はもちろん、それぞれのリモコンにも実は小型のマイコン が入っているのです。パソコンにしても、本体の中枢部に 強力なCPUがあるだけでなく、キーボード内に一つ、ハード ディスク内にも一つ、と多数のマイコンがそれぞれの部分 の制御をしながら、全体として情報交換してシステムを構 成しています。携帯電話も「たまごっち」も、列車内の電 光掲示パネルも、全てそれぞれの中にマイコンがあって実 現しているシステムなのです。

    世の中にCPUは何百種類とあるのですが、マイコン回 路としての本質的な部分では、全て同じような構成をして います。

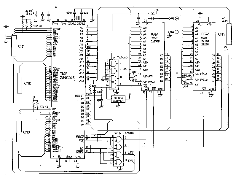
    のように、構成要素としては、中心となる 「CPU」、プログラムや固定データなどを格納する「ROM」 (読み出し専用メモリ)、データ等を一時的に格納して読み 書きする「RAM」、そして外界との入出力のやりとりを総称 した「I/O」というブロックです。パソコンなど一部のコン ピュータでは、プログラムの大部分をRAMに置いて色々に変 更できるようにしていますが、各種の電子機器に組み込ま れているマイコン回路は、ほとんど全てがこの構成です。

    本当は、 この図 の「バス」には

     ・データが相乗りする「データ・バス」

     ・メモリのアドレスを指定する「アドレス・バス」

     ・読み書きの制御などの信号の「コントロール・バス」

    に分かれているのですが、ここでは深入りを避けます。ま た、アドレス信号からメモリや複数のI/Oを排他的に選択し てバスの使用権を与えるために「アドレス・デコード回路」 も重要な意味を持ちますが、これもここでは省略します。 興味のある方は、筆者の「マイコン技術者スキルアップ事 典」(CQ出版)など関連図書を参照して下さい。

    マイコン回路の動作のもっとも重要なポイントとして、こ こでは最後に「CPUが正しく動作するための条件」を確認し ておきましょう。

    ソフトウェアも関係するとは いえ、CPUも一つのディジタルLSIなので、動作の条件はき わめてシンプルなものです。まずディジタル回路の最低条 件として、

     ・変動しない安定な電源

     ・変動しない安定なGND

    があります。

    また、CPUの動作に不可欠なものとして、

     ・安定な周波数のクロック信号

     ・電源投入後、十分な時間後に立ち上がるリセット

    という二つも最低限の必要条件です。CPUとはこのクロック に従って、プログラムで司令される内容を順番に実行して いるだけのものですし、その正常なスタートは正しいリセ ット信号によって始まります。

  33. 電源回路と電池
  34. さて、電子回路の検討の最後として、あらゆる電子機器の 重要な裏方である「電源回路」についてもまとめておきま しょう。まず、もっとも基本的な直流電源の作り方は、

    のようなトランスと整流回路とコンデンサによる平滑 回路、ということになります。同じ商用AC電源入力が、ト ランスによって必要な電圧に変換され、それぞれの整流回 路でどのような波形として出力されるかは、皆さん への宿題とします。また、そのあとの平滑回路も、実は既 に検討した積分回路、あるいはローパスフィルタの典型例 ですので、これも動作について追いかけてみて下さい。

    電源に関連した特殊な回路としては、「サイリスタ」とい う特殊な半導体を用いた「調光回路」があります。これは

    のように、交流電源の周期と同期して位相のずれた トリガ信号によって電力をスイッチングする素子で、連続 的に負荷の電力を変化させることができるものです。電球 の照明の明るさやヒーターの温度制御によく使われる回路 なのですが、電力波形を見ると明らかなように、かなり急 激に電力をスイッチングするので、周囲の電子回路に対し ては強烈なノイズ源となります。基本的には、マイコンシ ステムのような繊細で過敏なシステムの近くには、このよ うな回路が配置されないようにすることが重要です。

    ディジタル機器の電源回路としてもっとも一般的なものは、

    の「3端子レギュレータ」というICを用いた回路です。 「整流−平滑回路」の出力というのは、極性とし ては単一であるものの、リップルという変動成分がかなり 乗っているために、ディジタルICの動作条件である「安定 して精度の高い直流電圧」という条件を満たしません。そ こでこのような、内部に多数のトランジスタやツェナーダ イオードによる「直流安定化回路」を組み込んだ3端子レギ ュレータICの利用は定石となっています。

    電源回路にはこのレギュレータ電源と並んで、「スイッチ ング電源」と呼ばれる方式があります。これは、ト ランジスタやサイリスタのスイッチング回路によって、直 流電源を高周波(数百KHzなどのオーダ)信号にしてしまい、 電源につきものの大型トランスを省略して電力効率を上げ たものです。この具体的な回路については深入り しませんが、省エネルギーの点では有効なものの、スイッ チングによるノイズ源としてシステムにトラブルを招くこ とも多い、という点を指摘しておきましょう。

    最後に、電源と並んで電子回路のエネルギー源となる「電 池」について整理しておきます。電池には乾電池のように 寿命まで使うだけの「1次電池」と、充電して何度も使える 「2次電池」があります。1次電池としては、

     ・マンガン乾電池(もっとも普通の電池)

     ・アルカリ乾電池(出力電流容量が大きく寿命が長い)

     ・ボタン型電池(リチウム、酸化銀などがある)

    がよく使われています。006Pという9V電圧の乾電池も、中 身は1.5Vのセルを直列にしているだけで同じものです。

    また2次電池としては、これまでは「ニッカド電池」と呼ば れるニッケル・カドミウム電池が中心でしたが、最近の小 型軽量の電子機器の実現を支えたものとして、

     ・ニッケル水素電池

     ・リチウムイオン電池

    という新しいタイプが重要です。特にリイウムイオン電池 は、完全放電しないで再充電を繰り返すと容量が低下して しまう「メモリ効果」の無い電池として、そして体積あた りのエネルギー密度の点で、小型パソコンや携帯電話を支 えるキーテクノロジーとも言えるものです。

  35. センサキットの例

    1. 加速度センサIC

    2. 温度計/電圧計キット

    3. 静電容量計キット

    4. 超音波距離センサ

    5. 人体赤外線センサキット

    6. タッチセンサキット

    7. 衝撃センサ

    8. 光量変化センサ

    9. 超音波距離計キット

  36. カードマイコンキットの例

    1. 秋月電子「AKI-80」キット

    2. 秋月電子「AKI-80」

    3. 梅澤無線「UEC-Z77」(右)

    4. 梅澤無線「UEC-68K」(右)

    5. タマデン「TMB-261」(右)

  37. AKI-80について

  38. AKI-80は東芝のTMP-015を中核に置いたカードマイコンです。内蔵の2ポートのシリアル ポートをMIDIに使うことでMIDIマージを簡単に実現でき、また2つの汎用8ビットポー トによって外部スイッチ、センサ、LED、LCDなどと接続できます。

    1. AKI-80の内部回路図

    2. 東芝CPUのTMP-015の内部ブロック図

    3. AKI-80のピン配置