成安造形大学コラボレーション・プロジェクト

アーティストのための汎用センサ自作応援講座

2001年1月 長嶋洋一


第8話

さて、今回は、いよいよ市販のセンサキットを、AKI-H8で製作した 汎用A/D-MIDIセンサにつなぐために改造する、というのを実際にやって みようと思います。 今回対象とするのは、 第1話 で紹介した中の、共立電子で仕入れたワンダーキットから3種を、 一気に欲張って一つのシステムにしようと思います。 それぞれ別々にしてもいいのですが、いちいち電源回りを作るのが 面倒なのと、それぞれセンサ情報は別々のコントロール番号に割り当てて いるので、必要であれば出力MIDI情報をスルーボックスを介して複数の Macに供給しても、それぞれのMAXパッチで分離して使える(つまり 同時使用してそれぞれ別個にセンサ情報を利用できる)ため です。 これを読んで自作する人は、必要な部分だけ作ればいいことになります。

今回、まとめて選んだのは、いずれも共立電子で仕入れたワンダーキットで、 この静電タッチスイッチ のセンサと、 この焦電センサ のキットと、 この電子の目 センサです。共通点として、たとえばギャラリーに設置した インスタが、来場者が来たり触れようとしたり、という動作に 対応して何か「芸をする」というようなセンシングに利用できる、 というものになります(^_^)。

いつものように、 このように 机の上にお店を拡げてスタートです(^_^)。
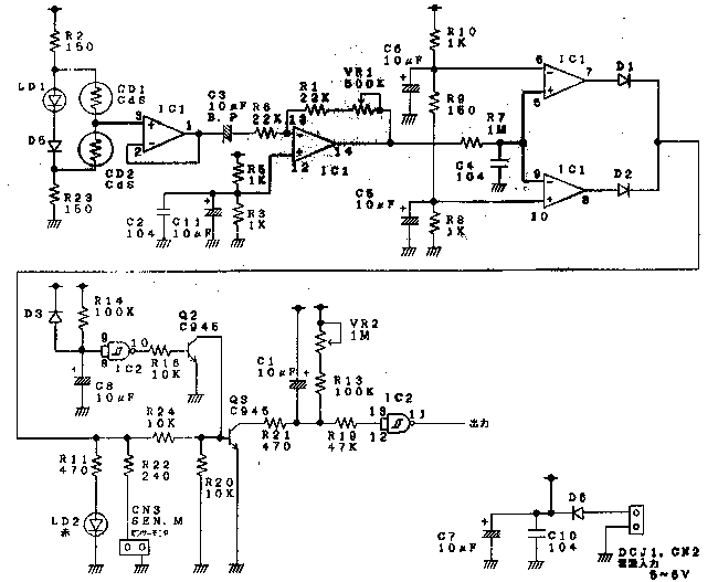
さて、最初は この 静電タッチスイッチ からです。 マニュアルの仕様にはDC12Vの電源、とありますが、これは付属しているリレーを 使った場合です。せっかくのインスタで、センサによっていちいちリレーが 「カチカチ」と言うのも興醒め(^_^;)なので、ここではリレーなど 回路の後半部分をバッサリとカットします。 必要な回路は、 このように なります。
ブザー、リレー等の不要な部品は、取り付けることで不要な電力消費と なるので、取り付けずにジャンク部品としてストックして再利用します。 ジャンパは、回路図のどこなのかを追いかけるのも面倒なので、とりあえず ちゃんと全て付けます(^_^;)。 また、ICは3つとも全て取り付けますが、トランジスタ2SC945は、 ここではリレードライバ用で不要なので付けません。 コンデンサは、C4とC5は不要ですが残りは全て付けます。 必要な部品を取り付けた完成基板は、 この ように なりました。

ここでフト、全体について構想します。欲張って3つの似たセンサキットを 合体させるので、ユニバーサル基板の上にこの3つのキットの基板を並べる ということで、 このように 置いてみると、なんとか3枚が並びますが、これでは電源が置けないので、 ここでは外部のACアダプタを使って、3端子レギュレータだけは ユニバーサル基板上の余ったスペースに作ることにしました。
ACアダプタを受けて+5Vの安定化電源とするには、 この ように 入力側と出力側にケミコンとパスコンを並べて、 このような 動作表示LED(220Ωを直列に入れてます)を付ければ 完璧です。(^_^)

この静電タッチセンサでは、シールド線で外部に電極を延長します。 電極はショートさせないように、インスタ等に仕込むことになります。 ここでは、 このような 感じにシールドで延長して、ユニバーサル基板の上に2枚の電極を 並べてみました。
実際にはインスタ等に仕込んでからの調整が必要で、 この 半固定ボリュームで、何も近づけない状態でギリギリまで 出力が0V付近になるようにします。すると、二つの電極が手に よるタッチで接続されればもちろんON(+5V)出力ですが、 片方の電極に触れてもう一方には触れない微妙な近さでも ちゃんとセンシングしてONになりました(^_^)。 実際には、現物の電気的な大きさなどにより、調整ポイントは 変わることになります。

一つ完成すると、本体へのケーブルとか電源はもう出来ているので、 忘れないうちに勢いでどんどん残りも作ってしまいましょう(^_^;)。
次にトライするのは、 この焦電センサ のキットです。 部品としては こんな ものですが、ここでも、リレー等の不要な部品は使わずに いきましょう。
このキットの中心となるパーツは、 この 焦電センサで、人体から体温とともに放出されている 赤外線をセンシグします。また、 これ はドーム状になったそのカバーで、これにより、センシングの指向性 を拡大しています
このキットの電源は4.5V-6Vということですので、同じ+5Vが 使えます。マニュアルから不要な部分を省略した回路図は、 このように なります。

取り付けなくていい部品は、抵抗ではR12とR14、ダイオードの1S1588、 IC3の555、トランジスタ2SC945、コンデンサではC7とC8、あとVR2です。 必要な部品を取り付けて完成したキット基板は この ように なりました。
このキットの焦電センサ部分も、シールド線で外部に電極を延長します。 ここでは、 このような 感じにシールドで延長しました。赤外線を出す物体の「移動」に反応して キレイにセンシング出力が出てくれました。(^_^)

さて、この合体ボードでの最後は、 この電子の目 センサです。これはCdSを使っているもので、受光量の差を センシングするというものです。
部品を並べてみると、この3キットの中では一番多い こんな ものでしたが、ここでも、リレー、ブザー等の不要な部品は使わずに いきましょう。
このキットの電源は5V-6Vということですので、同じ+5Vが 使えます。マニュアルから不要な部分を省略した回路図は、 このように なります。

取り付けなくていい部品は、マニュアルの回路図で、IC2の4093の 11ピンの出力から下流の部分の全てです。 必要な部品を取り付けて完成したキット基板は この ように なりました。
光の差を検出するための2個のCdSは、普通は基板からシールド等で伸ばす のですが、ここではじか付けとしました。他の二つのセンサを延長して いますし、オンボードのCdSを除去して増設するのも簡単みたいだからです。

...ということで、またまた半日仕事で、無事に3つのセンサを汎用A/D-MIDI に与えることができました。 システムの全景は このように なり、基板の上には このように 3種のワンダーキット(今回はたまたまこうなりました(^_^))が 集合しました。動作させると、焦電センサも光量変化センサも ちゃんと上空を動かした手に反応しますし、静電タッチセンサも 快調です。
あとはこれをどう仕込んでどういうインスタにするか、とかいうのは MAX以降の作業となります。こちらはもう、楽勝だと思うのですが、 いずれ機会があれば、「MAXでアルゴリズムを組もう」というのも 加えるかもしれません。とりあえずは、共立出版「コンピュータと音楽の世界」 に僕の書いた「アルゴリズム作曲」という記事などを読んで、研究して みて下さい。(^_^)