Supportインスタレーション(1)
長嶋 洋一
主としてSUAC(静岡文化芸術大学)の学生(学年は発表時点)のインスタレーション作品の中で、プロデュースや制作支援などで僕自身が深く関係したものを並べてみました。
興味のある方はリンク先の解説/資料などをよく調べてみて下さい。
森海
- 展示発表 SUAC大学公開デー 2000.05.28
- 作家 1虎(林文恵+川崎真澄+加藤美咲+大山真澄+北嶋めぐみ) 技術造形学科1回生 + 教員(長嶋・佐藤)
- 概要 8台のプラズマディスプレイと14本の柱でできた「通路」を来場者が通ると、サウンドが鳴り映像/画像が変化する
- システム 赤外線センサ、Max/MSP、CCDカメラ、ビデオスイッチャ
- 資料
CG素材
- 写真
写真
写真
写真
写真
写真
- 学生レポート
- YouTube
Windmill
- 展示発表 インターカレッジ2000(東京工科大) 2000.12.16
- 作家 Team風虎 (林文恵+加藤美咲+大山真澄) パフォーマンス : 技術造形学科学生7名 全て1回生
- 概要 大小4台の「風車」と太陽電池シート(センサ)により、光の変化に応じてサウンドと風車の回転が変化するインスタレーション作品。この作品を7名のパフォーマーによりコンサートのステージで公演発表した
- システム 光センサ、Max/MSP、ステッピングモータ
- 写真
写真
写真
- 学生レポート
- YouTube
季幻
- 展示発表 SUAC大学公開デー 2001.05.27
- 作家 6虎(大井手るな+井畑理子+丸山幸恵+平岡輝子+高野結花+高木法子+芝谷真名美) 技術造形学科1回生 + 教員(長嶋・佐藤)
- 概要 4台のプラズマディスプレイと2面の曲面スクリーンと14本の柱でできた「通路」を来場者が通ると、サウンドが鳴り映像/画像が変化する。金属造形(タッチセンサ)に触れると音と画像が変化する
- システム 赤外線センサ、静電気センサ、Max/MSP、CCDカメラ、ビデオスイッチャ
- 資料
CG素材
- 写真
- 学生レポート
つぶ次郎
- 展示発表 メディアアートフェスティバル2001 2001.08.01-07
- 作家 手虎 (林文恵+加藤美咲+大山真澄+北嶋めぐみ+*石野愛子) 技術造形学科2回生 *空間造形学科2回生
- 概要 シリコンゴムの「手」を握ると音が出て画面の顔が変化する
- システム グローブ(曲げ)センサ、Max/MSP
- 写真
- 学生レポート
- YouTube
はち
- 展示発表 メディアアートフェスティバル2001 2001.08.01-07
- 作家 メ四ンパン (高木慶子+竹森由香+田森聖乃+鈴木飛鳥) 技術造形学科2回生
- 概要 8角形の台座にある赤外線センサが来場者を検知すると、蜂の羽音がしてターンテーブルが来場者正面の方向に回転し、多数の「蜂」が一斉に睨む
- システム 赤外線センサ、AKI-H8、ステッピングモータ
- 写真
- 学生レポート
- YouTube
Shocking
- 展示発表 メディアアートフェスティバル2001 2001.08.01-07
- 作家 アマノミク (渋谷美樹+山内麻里+鈴木亜矢子+松下訓子+東堂のぞみ) 技術造形学科2回生
- 概要 上空から垂れ下がるワイヤを引くと、「食」にまつわるサウンドが流れて、「食」にまつわる映像がスクリーンに現われる
- システム 多スイッチセンサ、Max/MSP
- 写真
- 学生レポート
- YouTube
幸せの○
- 展示発表 メディアアートフェスティバル2001 2001.08.01-07
- 作家 生技の見方 (川崎真澄+上野佳代+服部江里+樋口啓代+*鈴木紘美) 技術造形学科2回生 *生産造形学科2回生
- 概要 箱の穴を覗くと「幸せ」が見えたり、耳を付けると「幸せ」が聞こえてくる5種類の箱の造形
- システム PC(プレイヤーとして)
- 写真
- 学生レポート
- YouTube
REproduction
- 展示発表 インターカレッジ2001(慶應義塾大学SFC) 2001.12.22-23
- 作家 本園千佐子 技術造形学科1回生
- 概要 周囲に小石を敷き詰めた造形物(グラスファイバー+エポキシ樹脂)の中央の穴に小石を投げ入れると、ギターのサウンドが鳴るとともに、内部の電球が光って造形を透かして光が外に漏れ出て来る
- システム スイッチセンサ、Max/MSP
- 写真
- 学生レポート
- YouTube
靄夜(もや)
閃(きらめ)き
- 展示発表 メディアアートフェスティバル2002 2002.08.17-26
- 作家 Gun★Min(川崎真澄+渋谷美樹) 技術造形学科3回生
- 概要 来場者が覗き穴を覗くと、中で16個のストロボが順に発光して影絵アニメーションを映写し、次いで影絵パネルが120度回転して別のアニメに転換する
- システム 超音波センサ、Max/MSP、ステッピングモータ、MIDIストロボ発光装置
- 写真
写真
- 学生レポート
- YouTube
奏工房
- 展示発表 メディアアートフェスティバル2002 2002.08.17-26
- 作家 加藤奏子+池谷綾香+高木法子+芝谷真名美 技術造形学科2回生
- 概要 来場者は自分の映ったスクリーン内で上から降ってくる音符を、フライパンを左右に動かして受け止める。受けそこねると音符は落ちる。音符をたくさんキャッチしてフライパンをひっくり返すと、溜まった音符のサウンドが演奏される
- システム 位置センサ、ジャイロセンサ、CCDカメラ、Max/MSP、ビデオミキサ
- 写真
- 学生レポート
- YouTube
Chessでポン!
sand clock
- 展示発表 メディアアートフェスティバル2002 2002.08.17-26
- 作家 メ四ンパン(鈴木飛鳥+高木慶子+竹森由香+田森聖乃) 技術造形学科3回生
- 概要 上空から4000個の発泡スチロール球が数秒おきに落下する巨大な砂時計に、時間の経過をイメージする映像が投射され、来場者が小さな砂時計を反転させると映像も切り替わる。落下して積み上がったスチロール球の山にはまた別の映像が投射されている
- システム スイッチセンサ、Max/MSP
- 写真
- 学生レポート
- YouTube
けつプッチン
- 展示発表 メディアアートフェスティバル2002 2002.08.17-26
- 作家 東堂のぞみ+*丸山幸恵 技術造形学科3回生 *2回生
- 概要 巨大な卵の造形を来場者が持ち上げるとサウンドが鳴ってぶるぶると振動する ※一部未完成
- システム スイッチセンサ、Max/MSP、振動モーター
- 写真
- 学生レポート
段虎
- 展示発表 メディアアートフェスティバル2002 2002.08.17-26
- 作家 段虎(大山真澄+加藤美咲+林文恵+北嶋めぐみ) 技術造形学科3回生
- 概要 SUAC南棟階段の1階から4階までを貫いた大蛇のような造形には、1色あたり240個、3色で計720個のLEDが配置され全て別個に点灯制御され、光の演出を実現する ※一部未完成(1色のみで挫折)
- システム Max/MSP、電子回路
- 写真
- 学生レポート
スプラウトス
- 展示発表 インターカレッジ2002(くらしき作陽大学) 2002.12.20-22
- 作家 高木慶子 技術造形学科3回生
- 概要 来場者は人形(写真左側)と並んで座り、フットスイッチを踏むとヘルメットに繋がったホースを経由してサウンドが流れてくる。「人形とコミュニケーションする」というテーマ
- システム フットスイッチセンサ、Max/MSP
- 写真
- 学生レポート
磨く
- 展示発表 インターカレッジ2002(くらしき作陽大学) 2002.12.20-22
「技術造形総合演習I」作品展
- 作家 鈴木飛鳥 技術造形学科3回生
- 概要 来場者が風見鶏の上にある風速計を回すと、円盤に仕込まれた青色LEDが渦巻き状に回転し、投射される映像が変化する
- システム 回転センサ、Max/MSP、BlueLED表示回路
- 写真
メイキング
- 学生レポート
うたかた
- 展示発表 インターカレッジ2002(くらしき作陽大学) 2002.12.20-22
「技術造形総合演習I」作品展
- 作家 東堂のぞみ 技術造形学科3回生
- 概要 磨き込んだ球体オブジェには「なでなでセンサ」が仕込んであり、来場者が触れたりなでたりすると対応したサウンドが鳴る
- システム なでなで(テルミン)センサ、Max/MSP
- 写真
メイキング
- 学生レポート
reproduction of Memory
- 展示発表 インターカレッジ2002(くらしき作陽大学) 2002.12.20-22
- 作家 加藤美咲 技術造形学科3回生
- 概要 来場者がタブレットでお絵書きした描画ストロークと会話がレコーディングされ、後日Webサイトに並んだサムネールをクリックするとJavaムービーとして再生され、展示会場での振る舞いを再体験できる ※一部未完成
- システム タブレット、Max/MSP、Java
- 写真
- 学生レポート
ハコロ
- 展示発表 碧風祭2003 メディアアートフェスティバル2003(インターカレッジ2003) 2003.12.16-21
- 作家 HEY!キミシグレ(杉山裕子+加藤芳実+川島笑子) 空間造形学科4回生
- 概要 布スクリーンを壁とする1辺3メートルの立方体の「部屋」の内部に多数の言葉を書いた箱が積まれている。来場者が箱を持ち上げると言葉が内部の電球で点灯するとともに空間にサウンドが鳴り、「部屋」の四方に4台のプロジェクタから投射されている映像が切り替わる
- システム スイッチセンサ、電子回路内蔵造形(箱)多数、Max/MSP
- YouTube



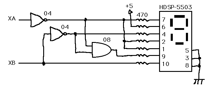
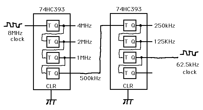
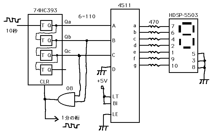
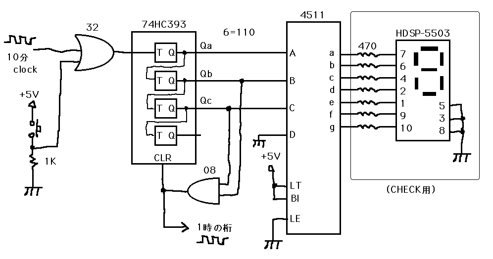
夜景彩光
- 展示発表 メディアアートフェスティバル2003(インターカレッジ2003) 2003.12.16-21
第1回SUAC卒展
- 作家 川崎真澄 技術造形学科4回生
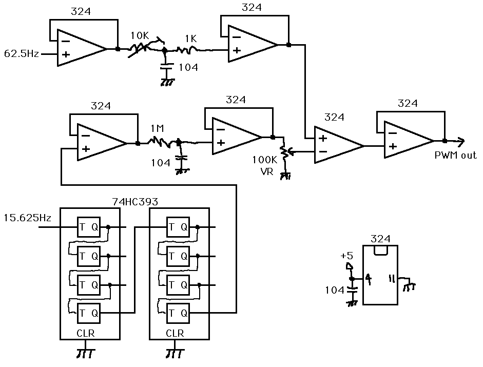
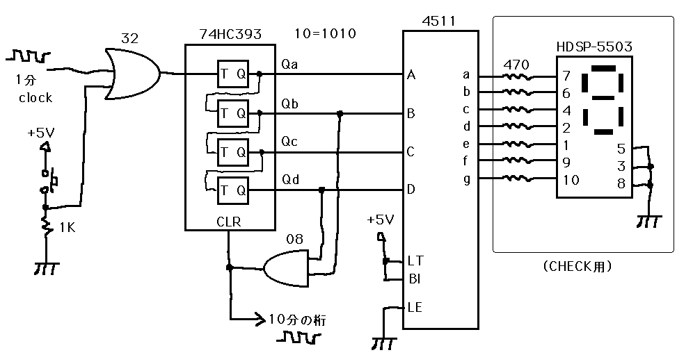
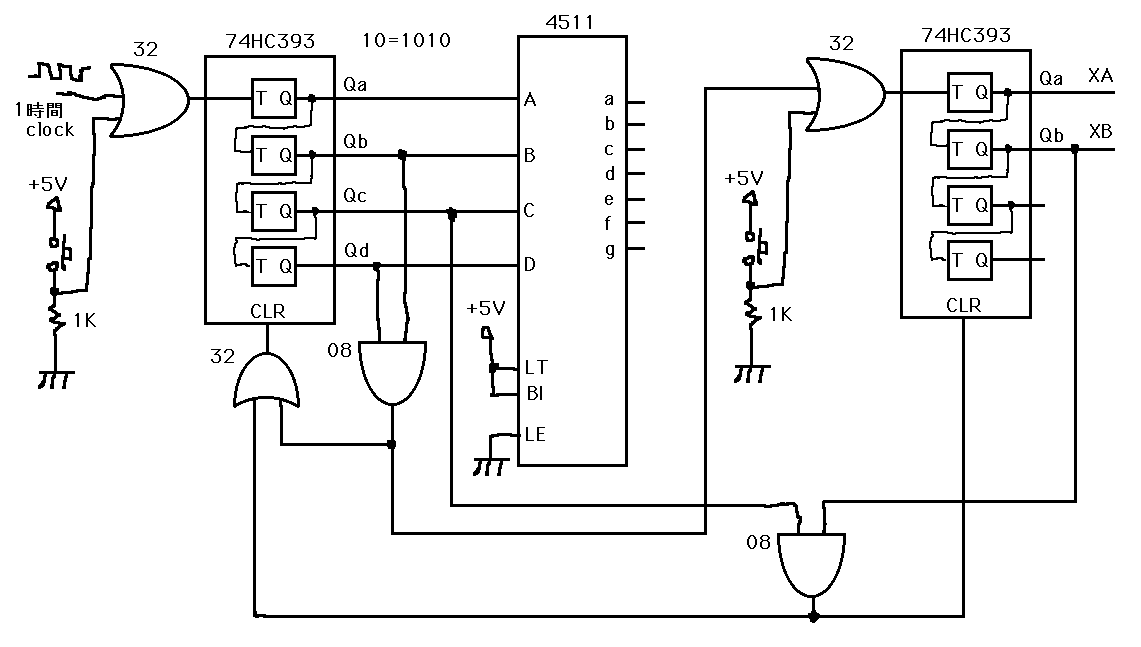
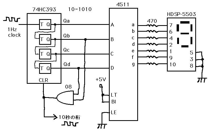
- 概要 ステンドグラスをイメージしたデジタル時計。キットを使わず電子回路を全て理解して自作。7セグメントで時刻表示する電球はさらに10数秒のゆるやかな周期でアナログ的に明るさが変化するとともに、「:」表示の1秒周期で鼓動のように輝度変化する
- システム 電子回路、電球
- 写真
写真
- 回路図
★ ★
★ ★
★ ★
★ ★
★ ★
★ ★
- YouTube
詩想作曲法
- 展示発表 第1回SUAC卒展
- 作家 内田涼子 技術造形学科4回生
- 概要 キーボードを弾くと、多数の詩から抜き出された詩の短いフレーズ(個々の朗読付き)がランダムに画面に出現して、その場限りの新しい詩を体験できる。あわせてアニメーションもランダムに出現する
- システム MIDIキーボード、Max/MSP
- 写真
- YouTube
創作玩具・巨大パラパラマンガ装置「TANGO BOX」
- 展示発表 第1回SUAC卒展 メディアアートフェスティバル 2004 2004.06.01-06
- 作家 坂田久美子 技術造形学科4回生
- 概要 350枚の切り絵パウチシートがドラムに埋め込まれて回転している。来場者が指をシートに入れるとパラパラアニメを同時に何人もで見ることができる。BGMはモーターが駆動する「黒ネコのタンゴ」のオルゴール演奏
- システム モーター
- 写真
- YouTube
Drum's D・N・A
- 展示発表 メディアアートフェスティバル 2004 2004.06.01-06
- 作家 三好承順 技術造形学科4回生
- 概要 鉄製の螺旋状の塔には256個のジャックがあり、これが時間(タイミング)の軸と打楽器種別の軸となっている。来場者が任意の場所にプラグを差し込むと、そのビートでその打楽器が鳴る、という体験型のドラムマシン
- システム 多スイッチセンサ回路、Max/MSP
- 写真
音波(おとなみ)
- 展示発表 第2回SUAC卒展
- 作家 山本絵美 生産造形学科4回生
- 概要 4個のスピーカ(暴音族仕様)の上の水槽に水を張り、それぞれの共鳴ポイントに合わせて制作したCDのサウンドの重低音をエンドレスに鳴らすと、水面には縞模様や激しい波が刻々と現われる
- システム CDプレーヤ、アンプ、ランプ+スピーカ(暴音族仕様) CDサウンドはMax/MSPにて制作
- 写真
写真
メイキング
- YouTube
music box ~freestyle~
- 展示発表 インターカレッジ2005(IAMAS) 2005.12.23-25
- 作家 山田麻友美 技術造形学科1回生
- 概要 来場者が触って傾きを変えられるピンボール台のような造形にボールを走らせる。手前のボタンを押して上部から出て来たボールが下りて来る途中で盤面の鈴スイッチに触れると色々なサウンドが出る
- システム スイッチセンサ、Max/MSP
- 写真
- 学生レポート
ちゃぶ台返し用ちゃぶ台
- 展示発表 碧風祭2005 インターカレッジ2005(IAMAS) 2005.12.23-25
- 作家 神谷裕子 技術造形学科2回生
- 概要 来場者が畳の上のちゃぶ台をひっくり返すと、「ちゃぶ台の上の物が飛んで壊れる音」がして、スクリーンには「ちゃぶ台の物が飛び散った映像」が出る
- システム スイッチセンサ、Max/MSP
- 写真
- 学生レポート
Image performs
- 展示発表 インターカレッジ2005(IAMAS) 2005.12.23-25 「技術造形総合演習I」作品
- 作家 横山早葉 技術造形学科3回生
- 概要 来場者がMIDIキーボードを弾くと、多種のムービーが画像エフェクトとともに変化して「映像を演奏」できる
- システム MIDIキーボード、Max/MSP/jitter
- 写真
- 学生レポート
星垂る
- 展示発表 第3回SUAC卒展、MITSUBISHI CHEMICAL JUNIOR DESIGNER AWARD 受賞
- 作家 柳浩也 デザイン研究科2年 (修士1期生)
- 概要 巨大な金属造形は1辺60cmの正三角形による正20面体であり、来場者は梯子を登って交互に1人、その中に入れる。20面の正三角形の内側はハーフミラーの合わせ鏡になっていて、それぞれ25個の白色LED(全体で500個)がゆるやかに明滅している。扉を閉じると暗黒となるが、そこに500個のLEDが、合わせ鏡によってそれぞれ異なる奥行きと明るさで明滅するので、まさに宇宙空間を体験できる力作。この作品は就職先の「GKテック」が動態保存のために引き取った
- システム アナログLED明滅回路(500個)、ハーフミラー、金属造形
- 写真
★
★
★
★
★
★
★
★
★
★
★
★
★
★
★
★
★
★
★
★
★
★
★
★
★
★
★
★
★
★
★
★
★
★
★
★
★
★
★
★
★
★
★
すずめの学校
- 展示発表 第3回SUAC卒展
- 作家 高塚紀枝 技術造形学科4回生
- 概要 来場者は小屋の覗き窓から覗き込み、壁にマウスを当てて操作する。色々な性格のスズメを操り、互いのやりとりや風景の変化を楽しむ
- システム Director
- 写真
ガチャガチャ映像マシン
- 展示発表 第3回SUAC卒展
- 作家 清水知美 技術造形学科4回生
- 概要 ガチャガチャ(ガチャポン)に100円を入れると、正面のモニタに色々な映像(ショートムービー)が上映される。本物のガチャガチャ(ガチャポンのケースを利用した
- システム スイッチセンサ、Director
- 写真